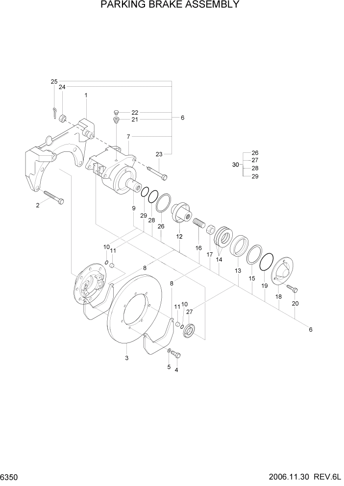
Запчасти Hyundai HL760-7 PAGE 6350 PARKING BRAKE ASSEMBLY СИЛОВАЯ СИСТЕМА

Схема запчастей Hyundai HL760-7 - PAGE 6350 PARKING BRAKE ASSEMBLY СИЛОВАЯ СИСТЕМА
FIT
1:1
100%

Артикул

Название

Примечание

Количество

*

@

PARKING ASSY

NOT #0001

1шт.

1

XKBQ-00288

BRACKET-CALIPER

1шт.

2

XKBQ-00289

BOLT-HEX

5шт.

3

XKBQ-00129

DISC

1шт.

4

XKBQ-00130

BOLT

8шт.

5

XKBQ-00131

WASHER-SPRING

8шт.

6

XKBQ-00132

CALIPER-BRAKE

1шт.

N7

XKBQ-00133

BODY

NOT

1шт.

8

XKBQ-00134

PAD

2шт.

9

XKBQ-00135

SHUTTLE

1шт.

10

XKBQ-00136

RING

2шт.

11

XKBQ-00137

MAGNET

2шт.

12

XKBQ-00138

PISTON

1шт.

13

XKBQ-00139

RING

1шт.

14

XKBQ-00140

RING-PLATE

1шт.

15

XKBQ-00141

PLATE-LOCK

1шт.

16

XKBQ-00142

PIN

1шт.

17

XKBQ-00143

NUT

1шт.

18

XKBQ-00144

COVER

1шт.

19

XKBQ-00145

O-RING

1шт.

20

XKBQ-00146

BOLT

3шт.

23

XKBQ-00149

BOLT

2шт.

24

XKBQ-00150

NUT

2шт.

25

XKBQ-00151

PIN-SPLIT

2шт.

N26

XKBQ-00152

RING

NOT

1шт.

N27

XKBQ-00153

SEAL

NOT

1шт.

N28

XKBQ-00154

RING

NOT

1шт.

N29

XKBQ-00155

O-RING

NOT

1шт.

30

XKBQ-00597

SEAL KIT-P/BRAKE

ITEM 26-39 #0001

1шт.

21

XKBQ-00147

BREATHER

1шт.

22

XKBQ-00148

CAP

#0001

1шт.

N

@

NOT INDIVIDUALLY SUPPLIED

NOT

ARшт.

Выбрано товаров: 32