Запчасти Hyundai HL760-7 PAGE 8021 DECALS(KOREAN, SQUARE COWL TYPE) ДРУГИЕ ЧАСТИ

Схема запчастей Hyundai HL760-7 - PAGE 8021 DECALS(KOREAN, SQUARE COWL TYPE) ДРУГИЕ ЧАСТИ
FIT
1:1
100%

Артикул

Название

Примечание

Количество

*

91LB-06102

DECAL KIT(A)

#0113

1шт.

*

91LB-06103

DECAL KIT(A)

#0114 - #0125

1шт.

*

91LB-06104

DECAL KIT(A)

#0126

1шт.

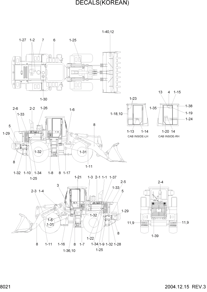
1-1

91LB-01110

START MOTOR

1шт.

1-2

91LB-01120

EXHAUST PIPE

1шт.

1-3

91LB-06130

HYD OIL LEVEL

1шт.

1-4

91LB-06140

DECAL-SHUT OFF VALVE

RIDE CONTROL

1шт.

1-5

91LB-06150

GREASE(A)

1шт.

1-6

91LB-06160

GREASE(B)

1шт.

1-7

91LB-06170

GREASE(C)

1шт.

1-8

91LB-06180

GREASE(D)

1шт.

1-9

91LB-01190

DRAIN REMOTE(HYD)

1шт.

1-1

91LB-01200

DRAIN REMOTE(ENGINE)

1шт.

1-11

91LB-01210

BUCKET STOPPER

2шт.

1-13

91LB-01230

MAX H-REACH

1шт.

1-14

91LB-01240

ROLL OVER

1шт.

1-15

91LB-06250

ROPS CABIN

1шт.

1-16

91LB-01260

STEERING WARNING-LH

1шт.

1-17

91LB-01270

STEERING WARNING-RH

1шт.

1-18

91LB-01280

ROPS PLATE

1шт.

1-19

91LB-06290

REFERENCE MANUAL

1шт.

1-2

91LB-01300

CONTROL IDEOGRAM

1-LEVER RCV

1шт.

1-2

91LB-01310

CONTROL IDEOGRAM

2-LEVER RCV

1шт.

1-21

91LB-01320

AIR CONDITIONER FILTER

1шт.

1-22

91LB-06330

ENG CONTROL MODULE

1шт.

1-23

91LB-01340

HAMMER

1шт.

1-24

91E1-18080

PUBLIC PERMISSION

1шт.

1-25

94L3-00420

SLINGING IDEOGRAM

4шт.

1-26

91N6-01102

AIR CLEANER FILTER

1шт.

1-27

91N6-01121

RADIATOR CAP

1шт.

1-28

91N6-01131

FUELING

1шт.

1-29

91N6-02120

BATTERY-ACCIDENT

2шт.

1-3

91N6-03111

HYD OIL LUBRICATION

1шт.

1-31

91N6-03130

HIGH PRESSURE HOSE

2шт.

1-32

91N6-03140

FALLING

4шт.

1-33

91N6-07112

STAY FIX

2шт.

1-34

91N6-07121

SHEARING

2шт.

1-35

91N6-07261

ALTERNATE EXIT

1шт.

1-36

91E1-14110

NAME PLATE

1шт.

1-37

91E1-27110

LOW EMISSION ENG

1шт.

1-38

91N6-07290

DECAL-FIRE EXTINGUISHER

1шт.

1-39

91LB-01410

KEEP CLEAR

#0114

1шт.

1-4

91N6-06410

NAME PLATE-BUCKET

#0126

1шт.

2

91LC-11100

DECAL KIT(B)

#0068

1шт.

2

91LC-11101

DECAL KIT(B)

#0069

1шт.

2-1

91LC-11110

MODEL NAME-LH

#0068

1шт.

2-1

91LC-11111

MODEL NAME-LH/FRONT

#0069

1шт.

2-2

91LC-11120

MODEL NAME-RH

#0068

1шт.

2-2

91LC-11121

MODEL NAME-RH/FRONT

#0069

1шт.

2-3

91N6-21080

TRADE MARK-BOOM/CWT

2шт.

2-4

91N6-21150

TRADE MARK-BOOM/CWT

1шт.

2-5

91LC-12110

MODEL NAME-LH/REAR

#0069

1шт.

2-6

91LC-12120

MODEL NAME-RH/REAR

#0069

1шт.

3

91LC-16130

SERVICE INSTRUCTION

#0226

1шт.

91LC-16131

SERVICE INSTRUCTION

#0227

1шт.

4

91LC-16140

SPEC SHEET

1шт.

5

91LC-16150

OVERALL WIDTH

2шт.

6

91E1-26300

STEP TREAD

14шт.

7

91E1-26300

STEP TREAD

FULL MUD GUARD

4шт.

8

21EK-10150

REFLECTOR-SIDE

6шт.

9

51EK-52990

REFLECTOR-REAR

2шт.

10

E171-1246

RIVET

8шт.

11

S401-052002

WASHER-PLAIN

2шт.

12

91N6-06420

METAL TACK

#0126

4шт.

13

91LC-16160

EMISSION CERTIFICATION

#0132

1шт.

14

91LC-16170

DECAL-START PROCEDURE

#0327

1шт.

Выбрано товаров: 66