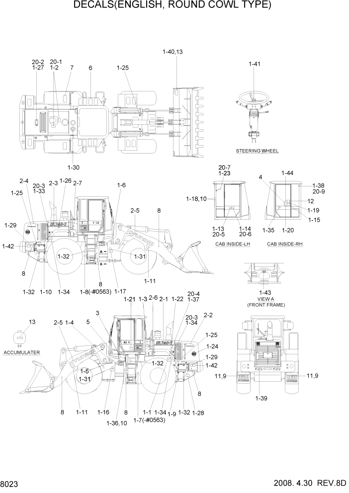
Запчасти Hyundai HL760-7 PAGE 8023 DECALS(ENGLISH, ROUND COWL TYPE) ДРУГИЕ ЧАСТИ

Схема запчастей Hyundai HL760-7 - PAGE 8023 DECALS(ENGLISH, ROUND COWL TYPE) ДРУГИЕ ЧАСТИ
FIT
1:1
100%

Артикул

Название

Примечание

Количество

*

91LB-01103

DECAL KIT(A)

#0125

1шт.

*

91LB-01104

DECAL KIT(A)

#0126 - #0451

1шт.

*

91LB-01105

DECAL KIT(A)

#0452 - #0534

1шт.

*

91LB-01106

DECAL KIT(A)

#0535 - #0563

1шт.

*

91LB-01107

DECAL KIT(A)

#0564 - #0727

1шт.

*

91LB-01108

DECAL KIT(A)

#0728 - #0827

1шт.

*

91LB-01109

DECAL KIT(A)

#0828

1шт.

1-1

91LB-01110

DECAL-START MOTOR

1шт.

1-2

91N6-01111

TURBO COVER

2шт.

1-3

91LB-01130

DECAL-HYD OIL LEVEL

1шт.

R1-4

91LB-01141

DECAL-SHUT OFF VALVE

RIDE CONTROL

1шт.

1-5

91LB-01150

DECAL-GREASE(A)

#0563

1шт.

1-5

91LB-02110

DECAL-GREASE(A)

#0564

1шт.

1-6

91LB-01160

DECAL-GREASE(B)

#0563

1шт.

1-6

91LB-02120

DECAL-GREASE(B)

#0564

1шт.

1-7

91LB-01170

DECAL-GREASE(C)

#0563

1шт.

1-8

91LB-01180

DECAL-GREASE(D)

#0563

1шт.

1-9

91LB-01190

DECAL-DRAIN/REMOTE

1шт.

1-1

91LB-01200

DRAIN/REMOTE

1шт.

1-11

91LB-01210

DECAL-BUCKET STOPPER

2шт.

1-13

91LB-01230

DECAL-MAX H/REACH

1шт.

1-14

91LB-01240

DECAL-ROLL OVER

1шт.

1-15

91LB-01250

DECAL-ROPS CAB

1шт.

1-16

91LB-01260

DECAL-STEER WARN/LH

1шт.

1-17

91LB-01270

DECAL-STEER WARN/RH

1шт.

1-18

91LB-01280

ROPS PLATE

1шт.

1-19

91LB-01290

DECAL-REF MANUAL

1шт.

1-2

91LB-01300

CONTROL IDEOGRAM

1-LEVER RCV

1шт.

1-2

91LB-01310

CONTROL IDEOGRAM

2-LEVER RCV

1шт.

1-21

91LB-01320

DECAL-AIRCON FILTER

1шт.

1-22

91LB-01330

DECAL-ECM

#0827

1шт.

1-23

91LB-01340

DECAL-HAMMER

1шт.

1-24

91L7-00360

DECAL-SPEED LIMIT

2шт.

1-25

94L3-00420

SLINGING IDEOGRAM

4шт.

1-26

91N6-01102

AIR CLEANER FILTER

1шт.

1-27

91N6-01121

RADIATOR CAP

1шт.

1-28

91N6-01131

FUELING

1шт.

1-29

91N6-02120

BATTERY ACCIDENT

2шт.

1-3

91N6-03111

HYD OIL LUBRICATION

1шт.

1-31

91N6-03130

HIGH PRESSURE HOSE

2шт.

1-32

91N6-03140

FALLING

4шт.

1-33

91N6-07112

STAY FIX

2шт.

1-34

91N6-07121

SHEARING

2шт.

1-35

91N6-07261

ALTERNATE EXIT

1шт.

1-36

91E1-14110

NAME PLATE

1шт.

1-36

91E1-14130

NAME PLATE

EUROPE

1шт.

1-37

91E1-27110

LOW EMISSION ENG

1шт.

1-38

91N6-07290

DECAL-FIRE EXTINGUISHER

1шт.

1-39

91LB-01410

DECAL-K/CLEAR/REFLECT

2шт.

1-4

91N6-06410

NAME PLATE-BUCKET

#0126

1шт.

1-41

91LB-08110

DECAL-STEERING WHEEL

#0535

1шт.

1-42

91LB-01350

ECU CONNECTOR

#0728

2шт.

1-43

91LH-01220

DECAL-GREASE CENTER

#0828

1шт.

1-44

91N6-07390

TURBOCHARGER

#0828

1шт.

2

91LC-11400

DECAL KIT(B)

HL760-7 #1255

1шт.

2

91LC-11410

DECAL KIT(B)

HL760-7 #1256

1шт.

2-1

91LC-15111

MODEL NAME-LH/FR

#1255

1шт.

2-1

91LC-15210

DECAL-MODEL NAME

#1256

1шт.

2-2

91LC-15121

MODEL NAME-LH/RR

#1255

1шт.

2-2

92LC-15170

MODEL NAME-LH/RR

#1256

1шт.

2-3

91LC-15131

MODEL NAME-RH/FR

#1255

1шт.

2-3

91LC-15310

DECAL-MODEL NAME

#1256

1шт.

2-4

91LC-15141

MODEL NAME-RH/RR

#1255

1шт.

2-4

92LC-15180

MODEL NAME-RH/RR

#1256

1шт.

2-5

91N6-21080

TRADE MARK-BOOM/CWT

#1234

2шт.

2-5

91N6-21080

TRADE MARK-BOOM/CWT

#1235

2шт.

2-6

92LC-15190

M/NAME-LH,HYD TANK

#1256

1шт.

2-7

92LC-15200

M/NAME-LH,HYD TANK

#1256

1шт.

2

91LC-11500

DECAL KIT(B)

HL760XTD-7 #1255

1шт.

2

91LC-11510

DECAL KIT(B)

HL760XTD-7 #1256

1шт.

2-1

91LC-15150

MODEL NAME-LH/FR

#1255

1шт.

2-1

91LC-15220

MODEL NAME-LH/FR

#1256

1шт.

2-2

91LC-15121

MODEL NAME-LH/RR

#1255

1шт.

2-2

92LC-15170

MODEL NAME-LH/RR

#1256

1шт.

2-3

91LC-15160

MODEL NAME-RH/FR

#1255

1шт.

2-3

91LC-15320

MODEL NAME-RH/FR

#1256

1шт.

2-4

91LC-15141

MODEL NAME-RH/RR

#1255

1шт.

2-4

92LC-15180

MODEL NAME-RH/RR

#1256

1шт.

2-5

91N6-21080

TRADE MARK-BOOM/CWT

#1234

2шт.

2-5

91N6-23120

TRADE MARK-BOOM/CW

#1235

2шт.

2-6

92LC-15190

M/NAME-LH,HYD TANK

#1256

1шт.

2-7

92LC-15200

M/NAME-LH,HYD TANK

#1256

1шт.

3

91LC-11131

SERVICE INSTRUCTION

#0384

1шт.

3

91LC-12130

SERVICE INSTRUCTION

#0385

1шт.

4

91LC-11140

SPEC SHEET

HL760-7

1шт.

4

91LC-11240

SPEC SHEET

HL760XTD-7

1шт.

5

91N6-22180

DECAL-NOISE LWA/108DB

EUROPE,STD #0699

1шт.

5

91N6-22160

DECAL-NOISE LWA/106DB

LOW NOISE #0699

1шт.

6

91E1-26300

STEP TREAD

10шт.

7

91E1-26300

STEP TREAD

FULL MUD GUARD

2шт.

8

21EK-10150

REFLECTOR-SIDE

6шт.

9

51EK-52990

REFLECTOR-REAR

2шт.

10

E171-1246

RIVET

8шт.

11

S401-052002

WASHER-PLAIN

2шт.

12

91LC-11170

DECAL-START PROCEDURE

#0327

1шт.

13

91N6-06420

METAL TACK

#0126

4шт.

14

91N6-03200

ACCUMULATER

#1284

4шт.

R14

91N6-03200

ACCUMULATER

RIDE CONTROL #1284

12шт.

20

92LB-00080

DECAL KIT-A/S

#0001

1шт.

20-1

91N6-01111

TURBO COVER

2шт.

20-2

91N6-01121

RADIATOR CAP

1шт.

20-3

91N6-07112

STAY FIX

2шт.

20-4

91E1-27110

LOW EMISSION ENG

1шт.

20-5

91LB-01230

DECAL-MAX H/REACH

1шт.

20-6

91LB-01240

DECAL-ROLL OVER

1шт.

20-7

91LB-01340

DECAL-HAMMER

1шт.

20-8

91N6-07261

ALTERNATE EXIT

1шт.

20-9

91N6-07290

DECAL-FIRE EXTINGUISHER

1шт.

Выбрано товаров: 108