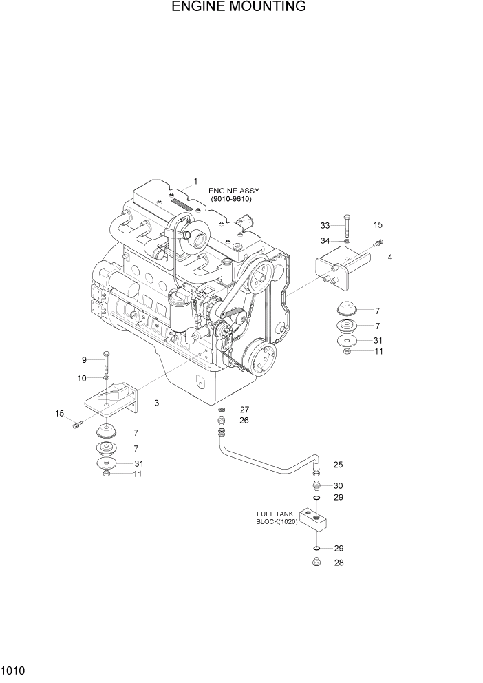
Запчасти Hyundai HL760-7A PAGE 1010 ENGINE MOUNTING СИСТЕМА ДВИГАТЕЛЯ

Схема запчастей Hyundai HL760-7A - PAGE 1010 ENGINE MOUNTING СИСТЕМА ДВИГАТЕЛЯ
FIT
1:1
100%

Артикул

Название

Примечание

Количество

1

11LC-01000

ENGINE ASSY

1шт.

3

11LC-00090

BRACKET WA-LH

1шт.

4

11LC-00081

BRACKET WA-RH

1шт.

7

11N6-10450

RUBBER-MOUNT

4шт.

9

S017-20130W

BOLT-HEX

2шт.

10

S441-20000V

WASHER-HARDENED

2шт.

11

S205-20100V

NUT-HEX

2шт.

15

S037-12355V

BOLT-W/WASHER

3шт.

25

P620-081016

HOSE ASSY-THD 0X90

1шт.

26

P010-220010

CONNECTOR

1шт.

27

P392-220000

WASHER-COPPER

1шт.

28

P220-110104

PLUG-HEX

1шт.

29

S631-018001

O-RING

2шт.

30

P010-110004

CONNECTOR

1шт.

31

11L7-00170

WASHER-REBOUND

2шт.

33

S017-12060V

BOLT-HEX

3шт.

34

S441-12000V

WASHER-HARDENED

3шт.

Выбрано товаров: 17