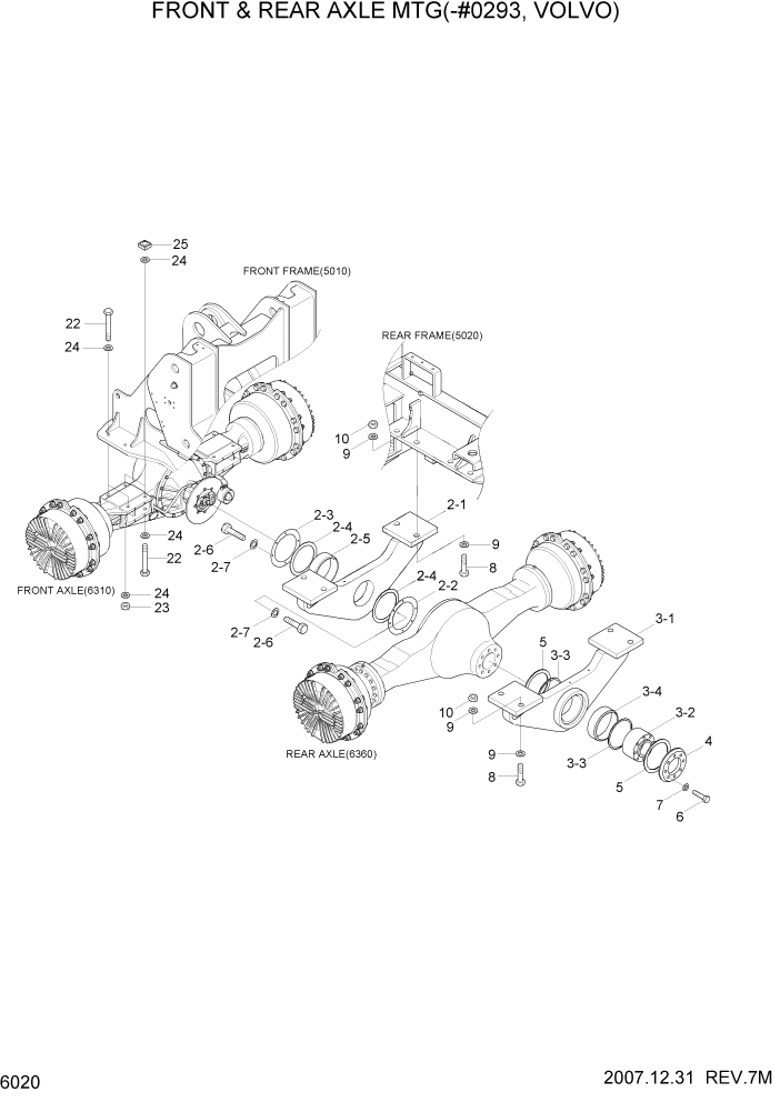
Запчасти Hyundai HL760-7A PAGE 6020 FRONT & REAR AXLE MTG(-#0293, VOLVO) СИЛОВАЯ СИСТЕМА

Схема запчастей Hyundai HL760-7A - PAGE 6020 FRONT & REAR AXLE MTG(-#0293, VOLVO) СИЛОВАЯ СИСТЕМА
FIT
1:1
100%

Артикул

Название

Примечание

Количество

*

@

FR & RR AXLE MOUNTING

NOT #0293

1шт.

2

81LC-20030

SUPPORT ASSY-FRONT

1шт.

2-1

81LC-20040

SUPPORT WA-FRONT

1шт.

2-2

81L1-32170

COVER

1шт.

2-3

81L1-20261

COVER

1шт.

2-4

S700-190508

DUST SEAL-DKIY TYPE

2шт.

2-5

84L1-00680

BUSHING

1шт.

2-6

S018-100202

BOLT-HEX

12шт.

2-7

S441-100002

WASHER-HARDENED

12шт.

3

81LB-20031

SUPPORT ASSY-REAR

1шт.

3-1

81LB-20051

SUPPORT WA-REAR

1шт.

3-2

81L1-32101

SHAFT

1шт.

3-3

S700-190508

DUST SEAL-DKIY TYPE

2шт.

3-4

84L1-00680

BUSHING

1шт.

4

81L1-32091

COVER

1шт.

5

81LB-20060

DISC

2шт.

6

S018-16145W

BOLT-HEX

8шт.

7

S441-16000V

WASHER-HARDENED

8шт.

8

S018-36125W

BOLT-HEX

8шт.

9

S441-36000V

WASHER-HARDENED

16шт.

10

S206-36100V

NUT-HEX

8шт.

22

S018-24220W

BOLT-HEX

8шт.

23

S206-24100V

NUT-HEX

4шт.

24

S441-24000V

WASHER-HARDENED

16шт.

25

81LC-10030

NUT-SQUARE

4шт.

Выбрано товаров: 25