Запчасти Hyundai HL760-7A PAGE 6025 FRONT & REAR AXLE MTG(#0294-, ZF) СИЛОВАЯ СИСТЕМА

Схема запчастей Hyundai HL760-7A - PAGE 6025 FRONT & REAR AXLE MTG(#0294-, ZF) СИЛОВАЯ СИСТЕМА
FIT
1:1
100%

Артикул

Название

Примечание

Количество

*

@

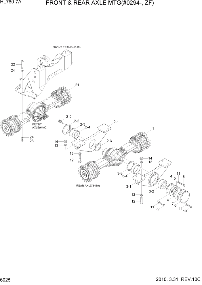
FR & RR AXLE MOUNTING

NOT #0294

1шт.

1

81LC-20070

REAR AXLE ASSY

1шт.

2

81LC-20100

SUPPORT ASSY-FRONT

#0954

1шт.

2

81LC-20101

SUPPORT ASSY-FRONT

#0955

1шт.

2-1

81LC-20111

SUPPORT WA-FRONT

#0954

1шт.

2-1

81LC-20112

SUPPORT WA-FRONT

#0955

1шт.

2-2

81LC-20120

COVER

1шт.

2-3

81LC-20130

SEAL-DUST

2шт.

2-4

81LC-20140

BUSHING

1шт.

2-5

S037-102556

BOLT-W/WASHER

12шт.

3

81LC-20200

SUPPORT ASSY-REAR

#0954

1шт.

3

81LC-20201

SUPPORT ASSY-REAR

#0955

1шт.

3-1

81LC-20211

SUPPORT WA-REAR

#0954

1шт.

3-1

81LC-20212

SUPPORT WA-REAR

#0955

1шт.

3-2

81LC-20220

SHAFT

1шт.

3-3

81LC-20130

SEAL-DUST

1шт.

3-4

81LC-20140

BUSHING

1шт.

3-5

81LC-20280

COVER

1шт.

3-6

S035-081556

BOLT-W/WASHER

8шт.

4

81LC-20240

WASHER-THRUST

2шт.

5

81LC-20250

DISC

1шт.

6

81LC-20260

COVER

1шт.

7

81LC-20270

SHIM

2шт.

8

S017-16115D

BOLT-HEX

8шт.

9

S017-16100D

BOLT-HEX

4шт.

10

S017-16050D

BOLT-HEX

8шт.

11

S441-160006

WASHER-HARDENED

20шт.

12

S018-361206

BOLT-HEX

8шт.

13

S441-360006

WASHER-HARDENED

16шт.

14

S206-361006

NUT-HEX

8шт.

21

81LC-10040

FRONT AXLE ASSY

1шт.

22

S018-27135D

BOLT-HEX

8шт.

23

S206-271006

NUT-HEX

8шт.

24

S441-270006

WASHER-HARDENED

16шт.

Выбрано товаров: 34