Запчасти Hyundai HL760-7A PAGE 6030 DRIVE LINES(-#0293) СИЛОВАЯ СИСТЕМА

Схема запчастей Hyundai HL760-7A - PAGE 6030 DRIVE LINES(-#0293) СИЛОВАЯ СИСТЕМА
FIT
1:1
100%

Артикул

Название

Примечание

Количество

*

@

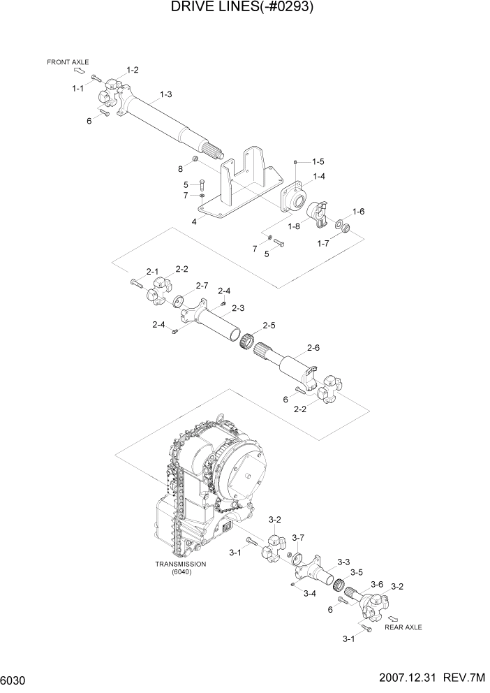
DRIVE LINE

NOT #0293

1шт.

1

81LC-30010

DRIVE SHAFT-FRONT

1шт.

1

81LC-30010

DRIVE SHAFT-FRONT

1шт.

1-1

103-21UNF

BOLT

4шт.

1-2

100-7C-1

J/BEARING ASSY

1шт.

1-3

40AF-7C623L

SLIP SHAFT ASSY

1шт.

1-4

750-UCF212

BEARING-FLANGE

1шт.

1-5

710-M10125

SCREW-SET

1шт.

1-6

120-M27

WASHER

1шт.

1-7

110-M27

NUT-LOCK

1шт.

1-8

210-7C863L

FLANGE COMPLETE

1шт.

2

81LC-30020

DRIVE SHAFT-CENTER

1шт.

2-1

103-21UNF

BOLT

8шт.

2-2

100-7C-1

J/BEARING ASSY

2шт.

2-3

200-7C200L

YOKE-SLIP

1шт.

2-4

101-PT81

NIPPLE-GREASE

2шт.

2-5

810-415JK

SEAL-JOINT

1шт.

2-6

40AF-7C935L

SLIP SHAFT ASSY

1шт.

2-7

910-56

PLUG

1шт.

3

81LC-30030

DRIVE SHAFT-REAR

1шт.

3-1

103-21UNF

BOLT

8шт.

3-2

100-7C-1

J/BEARING ASSY

2шт.

3-3

200-7C126L

SLIDING-OUTER

1шт.

3-4

71C-PT81

SCREW-PLUG

1шт.

3-5

810-415JK

SEAL-JOINT

1шт.

3-6

300-7C160L

SLIDING-INNER

1шт.

3-7

910-56

PLUG

1шт.

4

81LC-30040

BRACKET WA

1шт.

5

S017-160552

BOLT-HEX

8шт.

6

81L2-3406

BOLT

20шт.

7

S441-160006

WASHER-HARDENED

8шт.

8

S205-161002

NUT-HEX

4шт.

Выбрано товаров: 32