Запчасти Hyundai HL760-7A PAGE 6040 TRANSMISSION MOUNTING СИЛОВАЯ СИСТЕМА

Схема запчастей Hyundai HL760-7A - PAGE 6040 TRANSMISSION MOUNTING СИЛОВАЯ СИСТЕМА
FIT
1:1
100%

Артикул

Название

Примечание

Количество

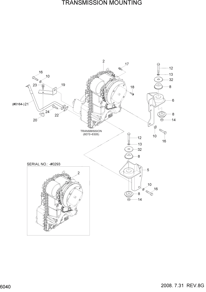
2

11LC-01100

T/M & T/C ASSY

#0293

1шт.

2

11LC-01110

T/M & T/C ASSY

#0294 - #0639

1шт.

2

11LC-01111

T/C & T/M ASSY

#0640

1шт.

5

11LD-00030

BRACKET WA-LH

1шт.

6

11LD-00040

BRACKET WA-RH

1шт.

8

11N6-13060

RESILIENT

4шт.

10

S441-20000V

WASHER-HARDENED

7шт.

12

S017-24180W

BOLT-HEX

2шт.

13

S441-24000V

WASHER-HARDENED

2шт.

14

S205-24100V

NUT-HEX

2шт.

16

S017-20040W

BOLT-HEX

7шт.

17

S037-10355V

BOLT-W/WASHER

12шт.

18

S109-10035V

BOLT-SOCKET

4шт.

19

11LC-00021

PLATE

1шт.

20

11LD-00060

BLOCK

1шт.

21

11LC-00100

PIPE WA

#0293

1шт.

21

11LC-00101

PIPE WA

#0294

1шт.

22

12L2-0013

GASKET

1шт.

23

S037-10205V

BOLT-W/WASHER

1шт.

24

S035-08252V

BOLT-W/WASHER

2шт.

32

11N8-00060

WASHER

2шт.

Выбрано товаров: 21