Запчасти Hyundai HL770-7 PAGE 6240 IND TRANSMITTER СИЛОВАЯ СИСТЕМА

Схема запчастей Hyundai HL770-7 - PAGE 6240 IND TRANSMITTER СИЛОВАЯ СИСТЕМА
FIT
1:1
100%

Артикул

Название

Примечание

Количество

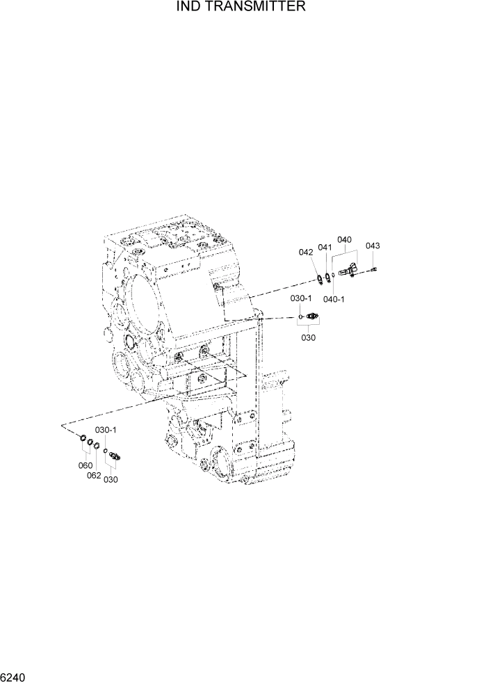
30

ZGAQ-00651

IND TRANSMITTER

0501-209-719

3шт.

30-1

ZGAQ-00652

O-RING

0634-306-524

3шт.

40

ZGAQ-00653

TRANSMITTER-SPEED

0501-317-949

1шт.

40-1

ZGAQ-00654

O-RING

0634-313-728

1шт.

41

ZGAQ-00655

SHEET

4646-325-005

1шт.

42

ZGAQ-00655

SHEET

4646-325-005

2шт.

43

ZGAQ-00656

SCREW-CAP

0636-101-415

1шт.

60

ZGAQ-00657

RING-SHIM

0630-004-242

4шт.

62

ZGAQ-00658

RING-SHIM

0630-004-179

2шт.

Выбрано товаров: 9