Запчасти Hyundai HL770-7 PAGE 8037 DECALS(KOREAN, ROUND COWL TYPE) ДРУГИЕ ЧАСТИ

Схема запчастей Hyundai HL770-7 - PAGE 8037 DECALS(KOREAN, ROUND COWL TYPE) ДРУГИЕ ЧАСТИ
FIT
1:1
100%

Артикул

Название

Примечание

Количество

*

91LB-06103

DECAL KIT(A)

#0099

1шт.

*

91LB-06104

DECAL KIT(A)

#0100 - #0345

1шт.

*

91LB-06105

DECAL KIT(A)

#0346 - #0412

1шт.

*

91LB-06106

DECAL KIT(A)

#0413 - #0433

1шт.

*

91LB-06107

DECAL KIT(A)

#0434 - #0584

1шт.

*

91LB-06108

DECAL KIT(A)

#0585 - #0652

1шт.

*

91LB-06109

DECAL KIT(A)

#0653

1шт.

*

91LB-06106

DECAL KIT(A)

KOREAN #0413

1шт.

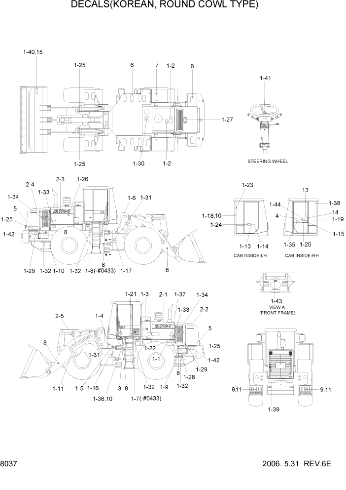
1-1

91LB-01110

DECAL-START MOTOR

1шт.

1-2

91LB-01120

DECAL-EXHAUST PIPE

1шт.

1-3

91LB-06130

HYD OIL LEVEL

1шт.

1-4

91LB-06140

SHUT OFF VALVE

RIDE CONTROL

1шт.

1-5

91LB-06150

GREASE(A)

#0433

1шт.

1-5

91LB-06190

GREASE(A)

#0434

1шт.

1-6

91LB-06160

GREASE(B)

#0433

1шт.

1-6

91LB-06200

GREASE(B)

#0434

1шт.

1-7

91LB-06170

GREASE(C)

#0433

1шт.

1-8

91LB-06180

GREASE(D)

#0433

1шт.

1-9

91LB-01190

DECAL-DRAIN/REMOTE

1шт.

1-1

91LB-01200

DECAL-DRAIN/REMOTE

1шт.

1-11

91LB-01210

DECAL-BUCKET STOPPER

2шт.

1-13

91LB-01230

DECAL-MAX H/REACH

1шт.

1-14

91LB-01240

DECAL-ROLL OVER

1шт.

1-15

91LB-06250

ROPS CABIN

1шт.

1-16

91LB-01260

DECAL-STEER WARNING/LH

1шт.

1-17

91LB-01270

DECAL-STEER WARNING/RH

1шт.

1-18

91LB-01280

ROPS PLATE

1шт.

1-19

91LB-06290

REFERENCE MANUAL

1шт.

1-2

91LB-01300

CONTROL IDEOGRAM

1-LEVER RCV

1шт.

1-2

91LB-01310

CONTROL IDEOGRAM

2-LEVER RCV

1шт.

1-21

91LB-01320

DECAL-AIRCON FILTER

1шт.

1-22

91LB-06330

ENG CONTROL MODULE

#0652

1шт.

1-23

91LB-01340

DECAL-HAMMER

1шт.

1-24

91E1-18080

DECAL-PUBLIC PERMISSION

1шт.

1-25

94L3-00420

SLINGING IDEOGRAM

4шт.

1-26

91N6-01102

DECAL-AIR CLEANER

1шт.

1-27

91N6-01121

DECAL-RADIATOR CAP

1шт.

1-28

91N6-01131

DECAL-FUELING

1шт.

1-29

91N6-02120

DECAL-BATT ACCIDENT

2шт.

1-3

91N6-03111

DECAL-HYD OIL LUB

1шт.

1-31

91N6-03130

DECAL-H/PRESSURE HOSE

2шт.

1-32

91N6-03140

DECAL-FALLING

4шт.

1-33

91N6-07112

DECAL-STAY FIX

2шт.

1-34

91N6-07121

DECAL-SHEARING

2шт.

1-35

91N6-07261

DECAL-ALTERNATE EXIT

1шт.

1-36

91E1-14110

NAME PLATE

1шт.

1-37

91E1-27110

DECAL-L/EMISSION ENG

1шт.

1-38

91N6-07290

DECAL-FIRE EXTINGUISHER

#0027

1шт.

1-39

91LB-01410

DECAL-KEEP CLEAR/REFLECT

2шт.

1-4

91N6-06410

NAME PLATE-BUCKET

#0100

1шт.

1-41

91LB-08110

DECAL-STEERING WHEEL

#0413

1шт.

1-42

91LB-06350

DECAL-ECU CONNECTOR

#0585

2шт.

1-43

91LH-01220

DECAL-GREASE CENTER

#0653

1шт.

1-44

91N6-07390

DECAL-TURBOCHARGER

#0653

1шт.

2

91LB-11400

DECAL KIT(B)

HL770-7

1шт.

2

91LB-11500

DECAL KIT(B)

HL770XTD-7

1шт.

2-1

91LB-15111

MODEL NAME-LH/FR

HL770-7

1шт.

2-1

91LB-15150

MODEL NAME-LH/FR

HL770XTD-7

1шт.

2-2

91LB-15121

MODEL NAME-LH/RR

1шт.

2-3

91LB-15131

MODEL NAME-RH/FR

1шт.

2-4

91LB-15141

MODEL NAME-RH/RR

1шт.

2-5

91N6-21080

TRADE MARK-BOOM/CWT

HL770-7

2шт.

2-5

91N6-21090

TRADE MARK-BOM/CWT

HL770XTD-7

2шт.

3

91LB-16131

SERVICE INSTRUCTION

#0291

1шт.

3

91LB-17130

SERVICE INSTRUCTION

#0292

1шт.

4

91LB-16140

SPEC SHEET

1шт.

5

91LB-16150

OVERALL WIDTH

2шт.

6

91E1-26300

STEP TREAD

10шт.

7

91E1-26300

STEP TREAD

FULL MUD GUARD

2шт.

8

21EK-10150

REFLECTOR-SIDE

6шт.

9

51EK-52990

REFLECTOR-REAR

2шт.

10

E171-1246

RIVET

8шт.

11

S401-052002

WASHER-PLAIN

2шт.

13

91LB-16160

EMISSION CERTIFICATION

1шт.

14

91LB-16170

DECAL-START PROCEDURE

#0258

1шт.

15

91N6-06420

METAL TACK

#0100

4шт.

Выбрано товаров: 76