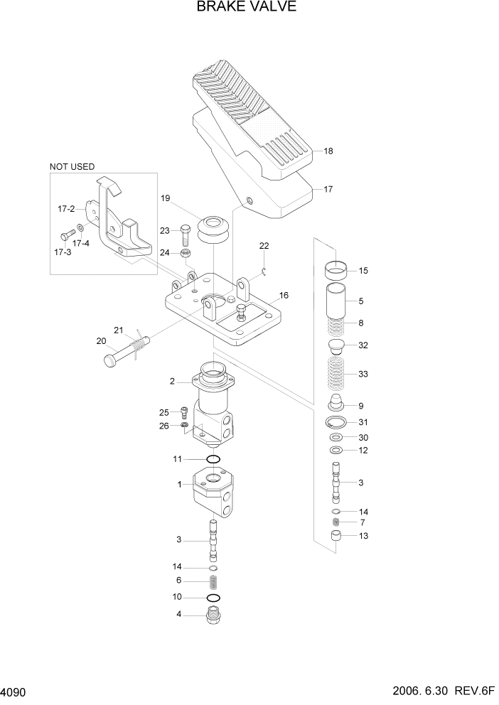
Запчасти Hyundai HL770-7 PAGE 4090 BRAKE VALVE ГИДРАВЛИЧЕСКИЕ КОМПОНЕНТЫ

Схема запчастей Hyundai HL770-7 - PAGE 4090 BRAKE VALVE ГИДРАВЛИЧЕСКИЕ КОМПОНЕНТЫ
FIT
1:1
100%

Артикул

Название

Примечание

Количество

*

31LB-40200

BRAKE VALVE

#0731

1шт.

*

31LH-40041

BRAKE VALVE

#0732

1шт.

1

XKAK-00001

BODY-LOWER

#0731

1шт.

1

XKAK-00043

BODY-LOWER

#0732

1шт.

2

XKAK-00002

BODY-UPPER

#0731

1шт.

2

XKAK-00044

BODY-UPPER

#0732

1шт.

3

XKAK-00003

SPOOL

#0731

2шт.

3

XKAK-00045

SPOOL

#0732

2шт.

4

XKAK-00004

PLUG

1шт.

5

XKAK-00005

HOLDER

#0731

1шт.

5

XKAK-00053

HOLDER

#0732

1шт.

6

XKAK-00006

SPRING-LOWER

1шт.

7

XKAK-00007

SPRING-UPPER

1шт.

8

XKAK-00008

SPRING 1-MAIN

1шт.

9

XKAK-00009

RETAINER 1-SPRING

1шт.

N10

@

O-RING

NOT

1шт.

N11

@

O-RING

NOT

1шт.

N12

@

SEAL-OIL

NOT

1шт.

13

XKAK-00010

GUIDE

1шт.

N14

@

RING-RETAINING

NOT #0731

2шт.

14

XKAK-00059

SNAP RING

#0732

2шт.

N15

@

BUSHING

NOT

1шт.

16

XKAK-00011

PLATE-PEDAL

#0731

1шт.

16

XKAK-00047

PLATE-PEDAL

#0732

1шт.

17

XKAK-00012

PEDAL ASSY

1шт.

17-1

@

PEDAL

NOT

1шт.

17-2

@

PLATE-LOCK

NOT

1шт.

17-3

@

BOLT-HEX

NOT

1шт.

N17-4

@

WASHER-PLAT

NOT

1шт.

18

XKAK-00015

COVER-PEDAL

#0731

1шт.

18

XKAK-00071

COVER-PEDAL

#0732

1шт.

19

XKAK-00016

BELLOWS

#0731

1шт.

19

XKAK-00048

COVER

#0732

1шт.

20

XKAK-00017

PIN 1-LOCK

#0731

1шт.

20

XKAK-00049

LOCK PIN1

#0732

1шт.

21

XKAK-00018

SPRING 1

#0731

1шт.

21

XKAK-00050

SPRING-TORSION

#0732

1шт.

N22

@

RING-RETAINER,C TYPE

NOT

1шт.

N23

@

BOLT-HEX

NOT

2шт.

N24

@

NUT-HEX

NOT

2шт.

N25

@

BOLT-SOCKET

NOT

2шт.

N26

@

WASHER-SPRING

NOT

4шт.

N30

@

WASHER-PLAIN

NOT

1шт.

N31

@

RING-RETAINER,C TYPE

NOT

1шт.

32

XKAK-00019

RETAINER 2-SPRING

1шт.

33

XKAK-00020

SPRING 2-MAIN

1шт.

N

@

NOT INDIVIDUALLY SUPPLIED

NOT

ARшт.

Выбрано товаров: 47