Запчасти Hyundai HL770-7A PAGE 1010 ENGINE MOUNTING СИСТЕМА ДВИГАТЕЛЯ

Схема запчастей Hyundai HL770-7A - PAGE 1010 ENGINE MOUNTING СИСТЕМА ДВИГАТЕЛЯ
FIT
1:1
100%

Артикул

Название

Примечание

Количество

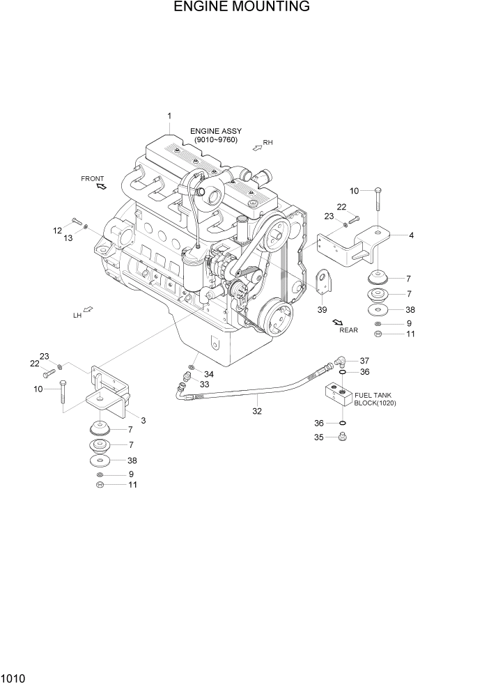
1

11LB-01200

ENGINE ASSY

1шт.

3

11LB-00090

BRACKET WA-LH

1шт.

4

11LB-00100

BRACKET WA-RH

1шт.

7

11N6-13050

RUBBER-MOUNT

4шт.

9

11N8-00060

WASHER

2шт.

10

S017-24185W

BOLT-HEX

2шт.

11

S205-24100V

NUT-HEX

2шт.

12

S017-10035V

BOLT-HEX

12шт.

13

S411-10000V

WASHER-SPRING

12шт.

22

S017-12035V

BOLT-HEX

8шт.

23

S441-12000V

WASHER-HARDENED

8шт.

32

P620-081016

HOSE ASSY-THD 0X90

1шт.

33

P010-220008

CONNECTOR

1шт.

34

P392-180000

WASHER-COPPER

1шт.

35

P220-110104

PLUG-HEX

1шт.

36

S631-018001

O-RING

2шт.

37

P020-110003

ELBOW-90

1шт.

38

S441-240002

WASHER-HARDENED

2шт.

39

11LB-00140

LIFTING EYE

1шт.

22

S017-12035V

BOLT-HEX

8шт.

23

S441-12000V

WASHER-HARDENED

8шт.

32

P620-081016

HOSE ASSY-THD 0X90

1шт.

33

P010-220008

CONNECTOR

1шт.

34

P392-180000

WASHER-COPPER

1шт.

35

P220-110104

PLUG-HEX

1шт.

36

S631-018001

O-RING

2шт.

37

P020-110003

ELBOW-90

1шт.

38

S441-24000V

WASHER-HARDENED

2шт.

39

11LB-00140

LIFTING EYE

1шт.

Выбрано товаров: 29