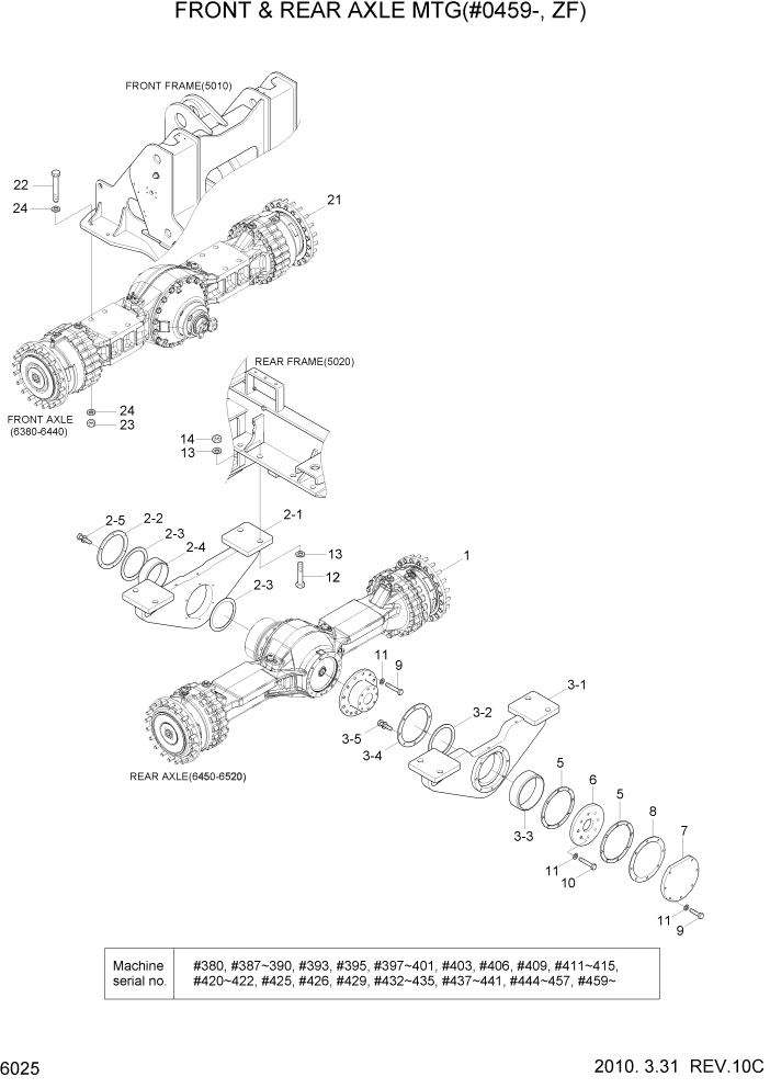
Запчасти Hyundai HL770-7A PAGE 6025 FRONT & REAR AXLE MTG(#0459-, ZF) СИЛОВАЯ СИСТЕМА

Схема запчастей Hyundai HL770-7A - PAGE 6025 FRONT & REAR AXLE MTG(#0459-, ZF) СИЛОВАЯ СИСТЕМА
FIT
1:1
100%

Артикул

Название

Примечание

Количество

*

@

FR & RR AXLE MOUNTING

NOT #0459

1шт.

1

81LB-20070

REAR AXLE ASSY

1шт.

2

81LB-20100

SUPPORT ASSY-FRONT

#1317

1шт.

2

81LB-20101

SUPPORT ASSY-FRONT

#1318

1шт.

2-1

81LB-20110

SUPPORT WA-FRONT

#0462

1шт.

2-1

81LB-20111

SUPPORT WA-FRONT

#0463 - #1317

1шт.

2-1

81LB-20112

SUPPORT WA-FRONT

#1318

1шт.

2-2

81LB-20120

COVER

1шт.

2-3

81LB-20130

SEAL-DUST(DKIY TYPE)

2шт.

2-4

81LB-20140

BUSHING

1шт.

2-5

S037-102556

BOLT-W/WASHER

6шт.

3

81LB-20200

SUPPORT ASSY-REAR

#1317

1шт.

3

81LB-20201

SUPPORT ASSY-REAR

#1318

1шт.

3-1

81LB-20210

SUPPORT WA-REAR

#0458

1шт.

3-1

81LB-20211

SUPPORT WA-REAR

#0459 - #1317

1шт.

3-1

81LB-20212

SUPPORT WA-REAR

#1318

1шт.

3-2

S700-190508

DUST SEAL-DKIY TYPE

1шт.

3-3

84L1-00680

BUSHING

1шт.

3-4

81LB-20280

COVER

#0459

1шт.

3-5

S035-081556

BOLT-W/WASHER

#0459

1шт.

4

81LB-20170

SHAFT-AXLE

1шт.

5

81LB-20240

WASHER-THRUST

2шт.

6

81LB-20250

DISC

1шт.

7

81LB-20260

COVER

1шт.

8

81LB-20270

SHIM

2шт.

9

S017-16050D

BOLT-HEX

21шт.

10

S017-16045D

BOLT-HEX

8шт.

11

S441-160006

WASHER-HARDENED

29шт.

12

S018-361206

BOLT-HEX

8шт.

13

S441-360006

WASHER-HARDENED

16шт.

14

S206-361006

NUT-HEX

8шт.

21

81LB-10030

FRONT AXLE ASSY

1шт.

22

S018-333106

BOLT-HEX

8шт.

23

S206-331006

NUT-HEX

8шт.

24

S441-330006

WASHER-HARDENED

16шт.

Выбрано товаров: 35