Запчасти Hyundai HL770-7A PAGE 3010 MAIN HYDRAULIC PIPING 1 ГИДРАВЛИЧЕСКАЯ СИСТЕМА

Схема запчастей Hyundai HL770-7A - PAGE 3010 MAIN HYDRAULIC PIPING 1 ГИДРАВЛИЧЕСКАЯ СИСТЕМА
FIT
1:1
100%

Артикул

Название

Примечание

Количество

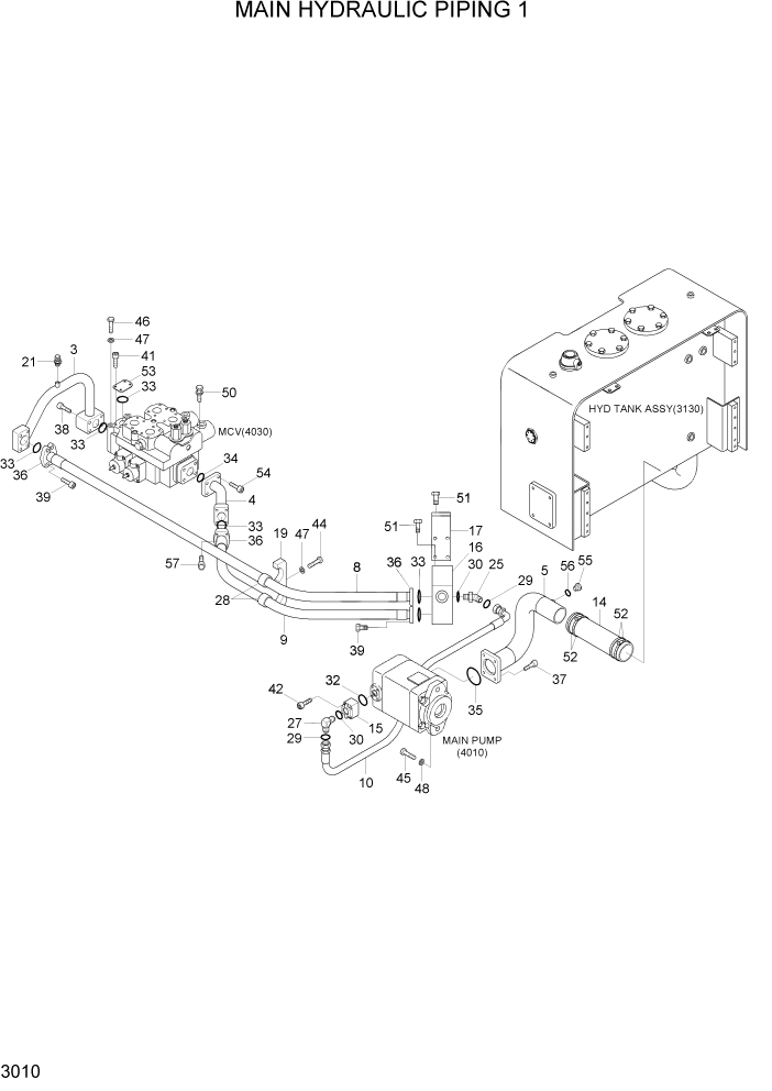
3

31LB-00111

PIPE WA

1шт.

4

31LB-00020

PIPE WA

1шт.

5

31LB-90022

PIPE WA

1шт.

8

P680-204340

HOSE ASSY-FLG

1шт.

9

P680-201332

HOSE ASSY-FLG

1шт.

10

31LB-00060

HOSE ASSY

1шт.

14

P760-103039

HOSE-RUBBER

1шт.

15

34L3-02520

BLOCK

1шт.

16

31LB-00071

BLOCK

1шт.

17

31LB-00081

PLATE

1шт.

19

34L1-02660

CLAMP

1шт.

21

31EK-11130

COUPLING-SCREW

1шт.

25

X530-110005

ELBOW-45,ORFS

1шт.

27

X520-110005

ELBOW-90,ORFS

1шт.

28

S690-049100

GROMMET

2шт.

29

S621-021001

O-RING,ORFS

2шт.

30

S631-029004

O-RING

2шт.

32

Y171-024004

O-RING

1шт.

33

Y171-027004

O-RING

6шт.

34

Y172-006004

O-RING

1шт.

35

Y172-015004

O-RING

1шт.

36

P173-200106

FLANGE-SPLIT

8шт.

37

S129-10024V

BOLT-SOCKET(UNIFIED)

4шт.

38

S109-12065V

BOLT-SOCKET

4шт.

39

S109-10030V

BOLT-SOCKET

12шт.

41

S109-12035V

BOLT-SOCKET

4шт.

42

S129-06032V

BOLT-SOCKET(UNIFIED)

4шт.

44

S017-12075V

BOLT-HEX

1шт.

45

S017-16040W

BOLT-HEX

2шт.

46

S017-12145V

BOLT-HEX

2шт.

47

S441-12000V

WASHER-HARDENED

3шт.

48

S441-16000V

WASHER-HARDENED

2шт.

50

S037-12402V

BOLT-W/WASHER

1шт.

51

S037-12305V

BOLT-W/WASHER

6шт.

52

S520-100000

CLAMP-HOSE

4шт.

53

P183-201112

FLANGE-PLUGING SQUARE

1шт.

54

S109-12060V

BOLT-SOCKET

4шт.

55

P220-110105

PLUG-HEX

1шт.

56

S631-024001

O-RING

1шт.

57

S109-10025V

BOLT-SOCKET

4шт.

Выбрано товаров: 40