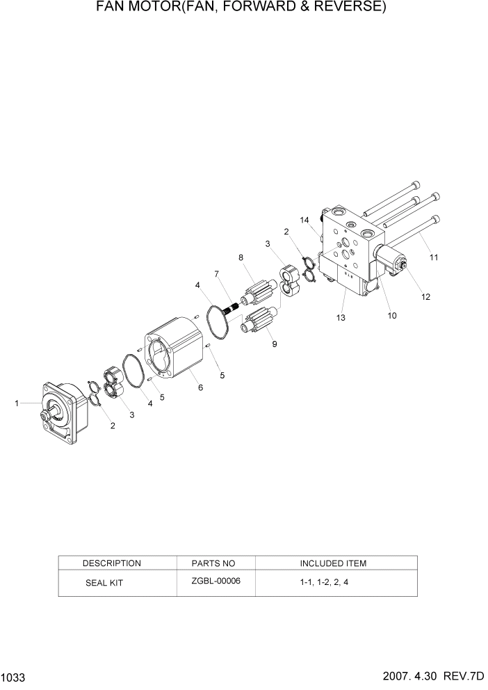
Запчасти Hyundai HL780-7A PAGE 1033 FAN MOTOR(FAN, FORWARD & REVERSE) СИСТЕМА ДВИГАТЕЛЯ

Схема запчастей Hyundai HL780-7A - PAGE 1033 FAN MOTOR(FAN, FORWARD & REVERSE) СИСТЕМА ДВИГАТЕЛЯ
FIT
1:1
100%

Артикул

Название

Примечание

Количество

*

11LB-30600

FAN MOTOR

#0503

1шт.

*

11LB-30700

MOTOR-FAN

#0504

1шт.

NK1-1

20-103838

SHAFT SEAL I

NOT

1шт.

NK1-2

20-103838

SHAFT SEAL I

NOT

1шт.

1

@

FRONT BEARING

NOT

1шт.

NK2

5060017

SEAL

NOT

2шт.

3

@

BEARING BLOCK

NOT

2шт.

NK4

2120305

O-RING

NOT

2шт.

5

@

DOWEL PIN

NOT

4шт.

6

@

GEAR HOUSING

NOT

1шт.

7

ZGBL-00008

COUPLING

1шт.

8

@

DRIVE GEAR

NOT

1шт.

9

@

IDLER GEAR

NOT

1шт.

10

@

VALVE COVER

NOT

1шт.

11

@

BOLT

NOT

4шт.

12

ZGBL-00007

RELIEF VALVE

1шт.

13

ZGBL-00004

SOLENOID VALVE

1шт.

14

ZGBL-00005

CARTRIDGE-CHECK VALVE

1шт.

K

ZGBL-00006

SEAL KIT

SEE ILLUST

1шт.

Выбрано товаров: 19