Запчасти Hyundai HL780-7A PAGE 9660 ELEC CONTROL HARNESS ДВИГАТЕЛЬ БАЗА

Схема запчастей Hyundai HL780-7A - PAGE 9660 ELEC CONTROL HARNESS ДВИГАТЕЛЬ БАЗА
FIT
1:1
100%

Артикул

Название

Примечание

Количество

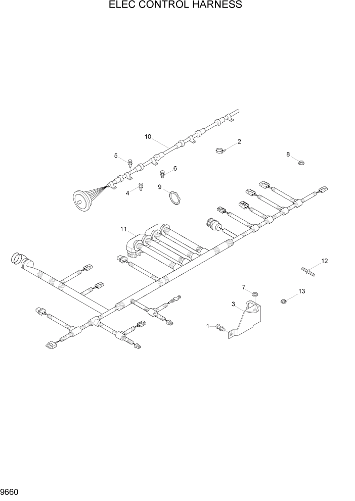
1

3036230

SCREW-HEX HD CAP

WR2738

1шт.

2

3062329

CLAMP-WIRE TIE

3шт.

3

3096813

BRACE-WIRING

1шт.

4

3417917

SCREW-CAPTIVE W/CAP

1шт.

5

3818060

SCREW-CAPTIVE W/CAP

3шт.

6

3821783

SCREW-CAPTIVE W/CAP

5шт.

7

3900589

NUT-HEX FLANGE

1шт.

8

3906216

NUT-HEX FLANGE

2шт.

9

4022547

NUT-REGULAR HEX

1шт.

10

4022868

HARNESS-ECM WIRING

1шт.

11

4059814

HARNESS-ECM WIRING

1шт.

12

3681386

STUD

1шт.

13

3902662

NUT-HEX FLANGE

1шт.

Выбрано товаров: 13