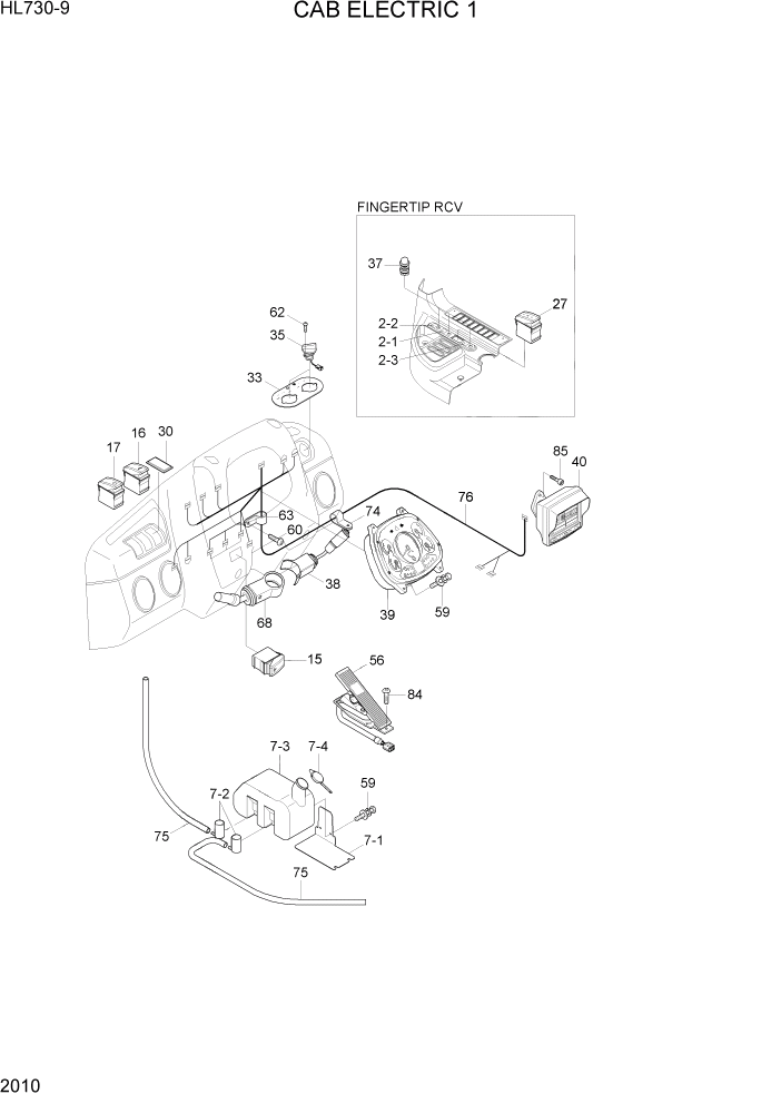
Запчасти Hyundai HL730-9 PAGE 2010 CAB ELECTRIC 1 ЭЛЕКТРИЧЕСКАЯ СИСТЕМА

Схема запчастей Hyundai HL730-9 - PAGE 2010 CAB ELECTRIC 1 ЭЛЕКТРИЧЕСКАЯ СИСТЕМА
FIT
1:1
100%

Артикул

Название

Примечание

Количество

2

21LM-10280

DECAL KIT

FINGERTIP RCV

1шт.

2-1

21LM-10260

DECAL-KICK DOWN

1шт.

2-2

21LM-10240

DECAL-HORN

1шт.

2-3

21LM-10250

DECAL-FNR

1шт.

7

21LN-30631

WASHER TANK ASSY

1шт.

7-1

MH305310

PLATE

1шт.

7-2

21EG-10310

MOTOR-WIPER

2шт.

7-3

@

TANK

NOT

1шт.

7-4

@

CAP

NOT

1шт.

15

21LM-01940

SWITCH-HAZARD

HAZARD

1шт.

16

21LM-01921

SWITCH-WORK LIGHT

WORK LIGHT

1шт.

17

21LM-01910

SWITCH-MAIN LIGHT

MAIN LIGHT

1шт.

27

21LM-02020

SWITCH-FNR

FNR RCV

1шт.

30

21E6-10460

COVER

1шт.

33

21LM-10210

DECAL-T/M MODE

1шт.

35

21LM-03260

ROTARY SWITCH-4POSI

2шт.

37

21LM-01700

SWITCH-BUTTON

FINGERTIP RCV

3шт.

38

24L3-00340

SWITCH-MULTIFUNCTION

#0010

1шт.

38

24L3-00341

SWITCH-MULTIFUNCTION

#0011

1шт.

39

21LM-35001

CLUSTER

1шт.

40

21LM-36001

MONITOR

1шт.

50

@

HARNESS-MAIN

NOT

1шт.

56

21LM-07211

PEDAL-ELECTRONIC

1шт.

59

S035-082026

BOLT-W/WASHER

6шт.

60

S017-080156

BOLT-HEX

1шт.

62

S141-040142

SCREW-FLAT HD

4шт.

63

31L7-10190

CLAMP-TUBE

1шт.

68

11LK-00070

GEAR SELECTOR

1шт.

74

31L7-10210

CLAMP-TUBE,INS

1шт.

75

21EM-30581

HOSE-RUBBER

2шт.

76

21LN-01063

HARNESS-DASHBOAD

#0010

1шт.

84

S132-082026

SCREW-W/WASHER

2шт.

85

S109-080256

BOLT-SOCKET

2шт.

Выбрано товаров: 33