Запчасти Hyundai HL730-9 PAGE 3030 PILOT HYDRAULIC PIPING 2 ГИДРАВЛИЧЕСКАЯ СИСТЕМА

Схема запчастей Hyundai HL730-9 - PAGE 3030 PILOT HYDRAULIC PIPING 2 ГИДРАВЛИЧЕСКАЯ СИСТЕМА
FIT
1:1
100%

Артикул

Название

Примечание

Количество

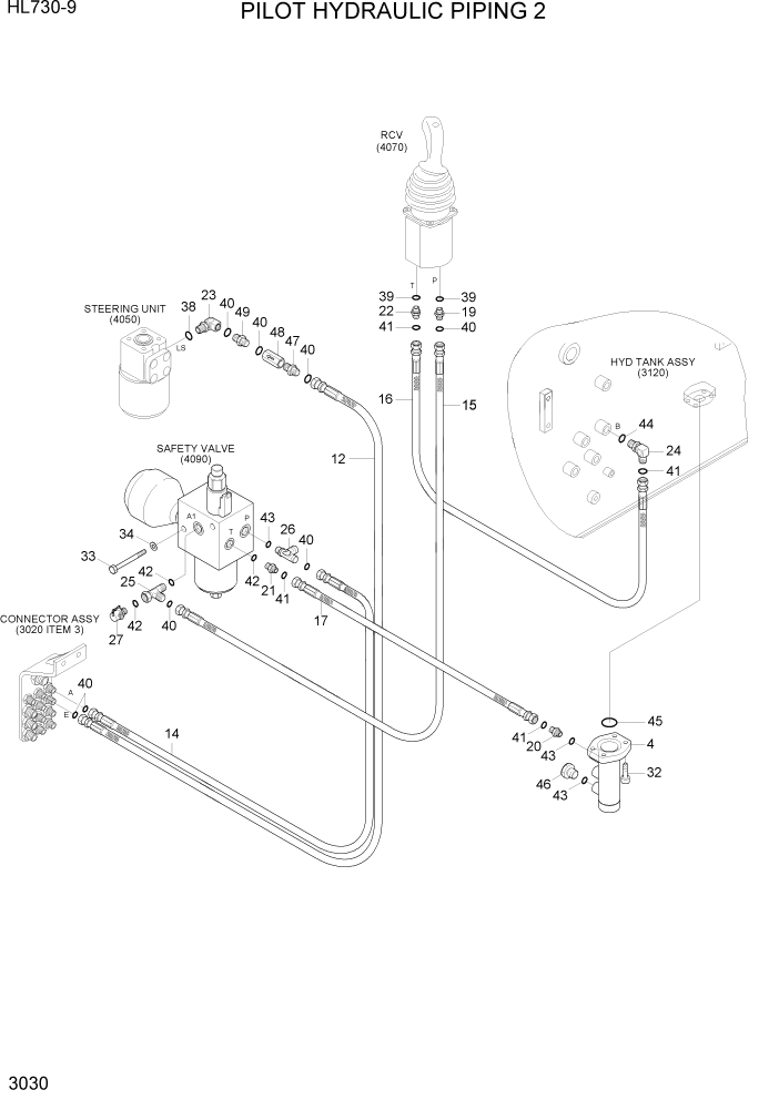
4

31LP-10010

PIPE WA

1шт.

12

P910-044024

HOSE ASSY-ORFS 0X0

1шт.

14

P910-046024

HOSE ASSY-ORFS 0X0

#0010

1шт.

14

X400-042024

HOSE ASSY-SYNFLEX,ORFS

#0011

1шт.

15

P910-046016

HOSE ASSY-ORFS 0X0

#0010

1шт.

15

X400-042016

HOSE ASSY-SYNFLEX,ORFS

#0011

1шт.

16

P910-062051

HOSE ASSY-ORFS 0X0

#0010

1шт.

16

X400-062051

HOSE ASSY-SYNFLEX,ORFS

#0011

1шт.

17

P910-062022

HOSE ASSY-ORFS 0X0

#0010

1шт.

17

X400-062022

HOSE ASSY-SYNFLEX,ORFS

#0011

1шт.

19

31S7-00750

CONNECTOR

1шт.

20

X500-110002

CONNECTOR-ORFS

1шт.

21

X500-110011

CONNECTOR-ORFS

1шт.

22

X500-310002

CONNECTOR-ORFS

1шт.

23

31LP-11110

ELBOW-90,ORFS

1шт.

24

X520-110014

ELBOW-90,ORFS

1шт.

25

31N4-22170

TEE-RUN TYPE

1шт.

26

X820-065251

TEE-R/TYPE,ORFS

1шт.

27

31EK-11130

COUPLING-SCREW

1шт.

32

S109-100306

BOLT-SOCKET

4шт.

33

S017-101056

BOLT-HEX

2шт.

34

S441-10000B

WASHER-HARDENED

2шт.

38

S611-009001

O-RING

1шт.

39

S611-012001

O-RING

2шт.

40

S621-011001

O-RING

7шт.

41

S621-012001

O-RING

4шт.

42

S631-011004

O-RING

3шт.

43

S631-014004

O-RING

3шт.

44

S631-018004

O-RING

1шт.

45

Y171-024004

O-RING

1шт.

46

P220-110103

PLUG-HEX

1шт.

47

X500-110001

CONNECTOR-ORFS

1шт.

48

31LN-30040

CHECK VALVE

1шт.

49

P000-110004

CONNECTOR

1шт.

Выбрано товаров: 34