Запчасти Hyundai HL730-9 PAGE 4050 STEERING UNIT ГИДРАВЛИЧЕСКИЕ КОМПОНЕНТЫ

Схема запчастей Hyundai HL730-9 - PAGE 4050 STEERING UNIT ГИДРАВЛИЧЕСКИЕ КОМПОНЕНТЫ
FIT
1:1
100%

Артикул

Название

Примечание

Количество

*

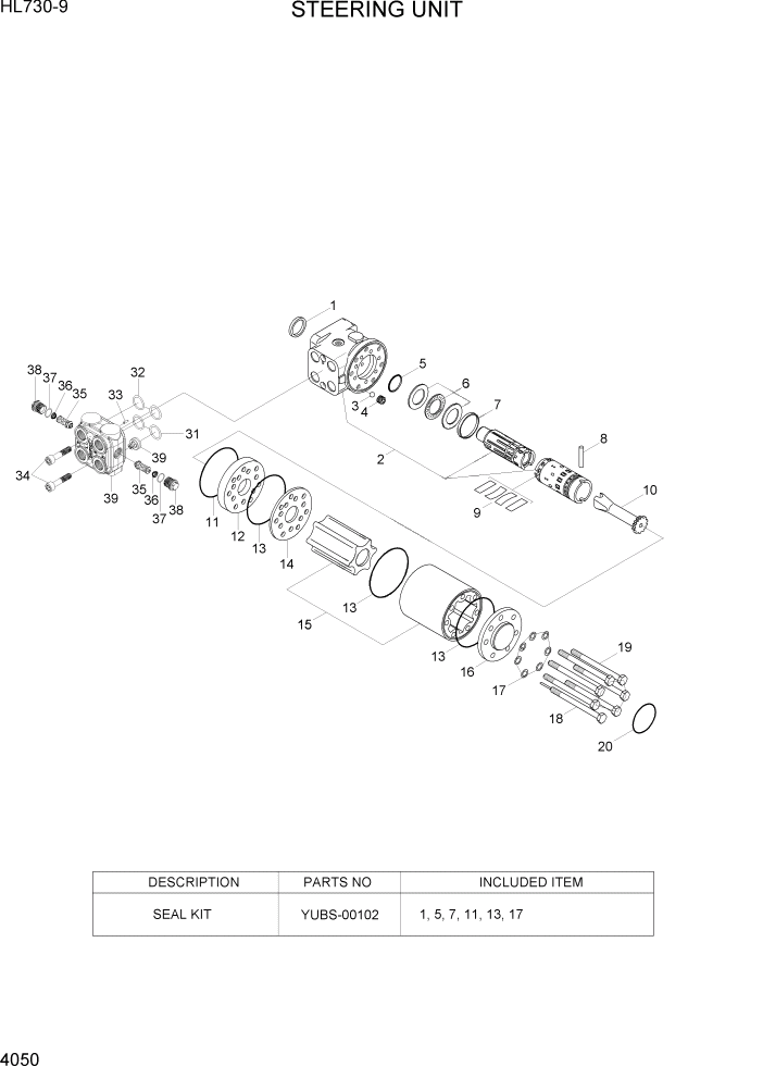
31LP-30010

STEERING UNIT(LS)

1шт.

K1

@

DUST SEAL RING

NOT

1шт.

2

@

HOUSING, SPOOL

NOT

1шт.

3

@

BALL

NOT

1шт.

4

@

THREAD BUSHING

NOT

1шт.

K5

@

ROTO RING

NOT

1шт.

6

@

BEARING ASSEMBLY

NOT

1шт.

7

@

RING

NOT

1шт.

8

@

CROSS PIN

NOT

1шт.

9

@

SET OF SPRINGS

NOT

1шт.

10

@

CARDAN SHAFT

NOT

1шт.

K11

@

O-RING

NOT

3шт.

12

@

INTERMEDIATE PLATE

NOT

1шт.

K13

@

O-RING

NOT

1шт.

14

@

DISTRIBUTOR PLATE

NOT

1шт.

15

@

GEARWHEEL SET

NOT

1шт.

16

@

END COVER

NOT

1шт.

K17

@

WASHER

NOT

7шт.

18

@

SCREW WITH PIN

NOT

1шт.

19

@

SCREW

NOT

6шт.

31

YUBS-00117

O-RING SET

4шт.

33

@

ROLLED PIN

NOT

1шт.

34

@

SCREW

NOT

2шт.

35

@

SHOCK VALVE

NOT

2шт.

36

@

SPRING

NOT

2шт.

37

@

O-RING

NOT

2шт.

38

@

PLUG

NOT

2шт.

39

@

HOUSING, CHECK VALVE

NOT

1шт.

K

YUBS-00102

SEAL KIT

SEE ILLUST

1шт.

Выбрано товаров: 29