Запчасти Hyundai HL730TM-9 PAGE 1010 ENGINE MOUNTING СИСТЕМА ДВИГАТЕЛЯ

Схема запчастей Hyundai HL730TM-9 - PAGE 1010 ENGINE MOUNTING СИСТЕМА ДВИГАТЕЛЯ
FIT
1:1
100%

Артикул

Название

Примечание

Количество

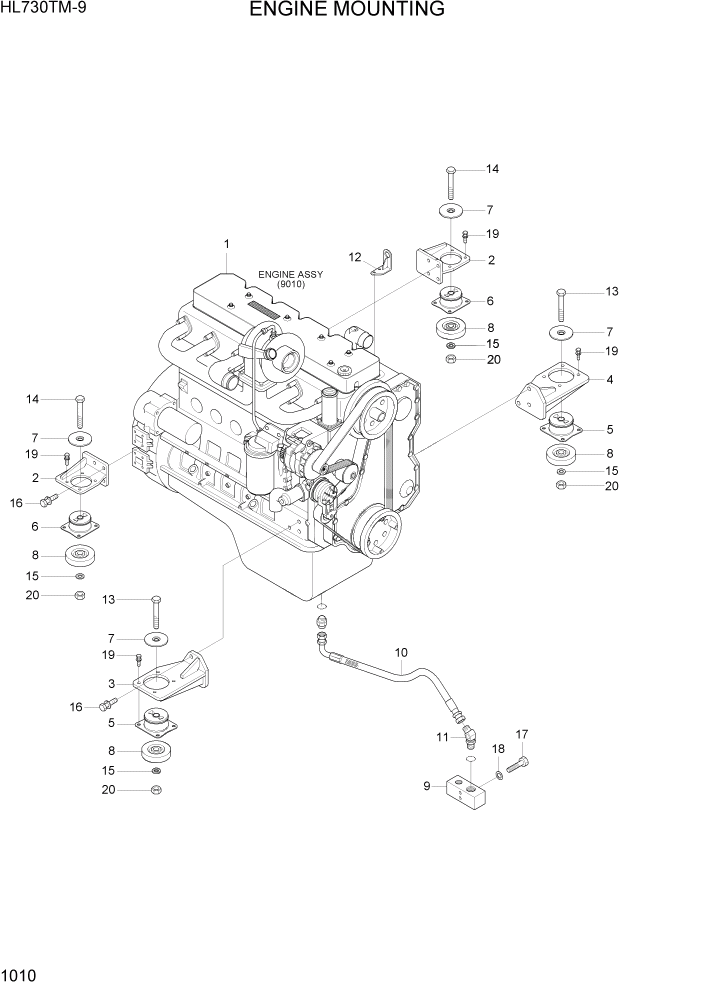
1

11LP-00010

ENGINE ASSY

1шт.

2

11LP-00020

BRACKET WA

2шт.

3

11LP-00030

BRACKET WA-LH

1шт.

4

11LP-00040

BRACKET WA-RH

1шт.

5

11M8-07555

RESILIENT

2шт.

6

11M8-07550

RESILIENT

2шт.

7

11M8-00130-DA

WASHER-OVERLOAD

4шт.

8

11LN-00110

WASHER-OVERLOAD

4шт.

9

11LM-00200

DRAIN VALVE

1шт.

10

P620-082010

HOSE ASSY-THD 0X90

1шт.

11

P030-110003

ELBOW-45

1шт.

12

11LG-01010

BRACKET WA

1шт.

13

S017-16130D

BOLT-HEX

2шт.

14

S017-16120D

BOLT-HEX

2шт.

15

S441-160006

WASHER-HARDENED

4шт.

16

S037-123556

BOLT-W/WASHER

14шт.

17

S017-100756

BOLT-HEX

2шт.

18

S441-10000B

WASHER-HARDENED

2шт.

19

S035-082556

BOLT-W/WASHER

16шт.

20

S205-16100B

NUT-HEX

4шт.

Выбрано товаров: 20