Запчасти Hyundai HL730TM-9 PAGE 8025 DECALS(KOREAN) ДРУГИЕ ЧАСТИ

Схема запчастей Hyundai HL730TM-9 - PAGE 8025 DECALS(KOREAN) ДРУГИЕ ЧАСТИ
FIT
1:1
100%

Артикул

Название

Примечание

Количество

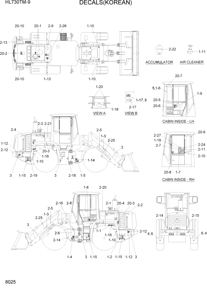
1

92LP-00201

DECAL KIT(A)

#0006

1шт.

1

92LP-00202

DECAL KIT(A)

#0007

1шт.

1-1

91LB-01110

DECAL-START MOTOR

1шт.

1-2

91LB-01190

DECAL-DRAIN/REMOTE

1шт.

1-3

91LB-01210

DECAL-BUCKET STOPPER

2шт.

1-4

91LB-01260

DECAL-STEER WARN/LH

1шт.

1-5

91LB-01270

DECAL-STEER WARN/RH

1шт.

1-6

91LB-01280

DECAL-ROPS PLATE

1шт.

1-7

91LM-01300

DECAL-CNTL IDEOGRAM

1-LEVER

1шт.

1-7

91LM-01310

DECAL-CNTL IDEOGRAM

2-LEVER

1шт.

1-8

91LF-01320

DECAL-AIRCON FILTER

1шт.

1-9

91E1-18080

DECAL-PUBLIC PERMIT

1шт.

1-1

92LB-14000

DECAL-LIFT & TIE

4шт.

1-11

91N6-01102

DECAL-A/CLEANER FILTER

1шт.

1-12

91N6-02120

DECAL-BATT ACCIDENT

2шт.

1-13

91N6-03111

DECAL-OIL LUBRICATION

1шт.

1-14

91N6-03130

DECAL-HIGH PRESS HOSE

2шт.

1-15

91N6-03140

DECAL-FALLING

3шт.

1-16

91N6-07121

DECAL-SHEARING

2шт.

1-17

91LM-14110

DECAL-PIN PLATE

1шт.

1-18

91LH-01220

DECAL-GREASE CENTER

1шт.

1-19

91N6-07390

DECAL-TURBOCHARGER

1шт.

1-2

91LB-01360

DECAL-RIDE CONTROL

RIDE CONTROL

2шт.

2

92LP-06302

DECAL KIT(B)

#0006

1шт.

2

92LP-06303

DECAL KIT(B)

#0007

1шт.

2-1

92LP-15150

MODEL NAME-LH/FR

1шт.

2-2

92LP-15170

MODEL NAME-LH/RR

1шт.

2-3

92LP-15160

MODEL NAME-RH/FR

1шт.

2-4

92LP-15180

MODEL NAME-RH/RR

1шт.

2-5

91N6-26110

DECAL-HYUNDAI LOGO

2шт.

2-6

92LP-60720

DECAL-SERVICE INSTRU

1шт.

2-7

92LP-60530

DECAL-SPEC. SHEET

1шт.

2-8

91LP-22200

NOISE LEVEL-LWA

1шт.

2-9

91LB-06130

DECAL-HYD OIL LEVEL

1шт.

2-1

91LB-06250

DECAL-ROPS CABIN

1шт.

2-11

91LM-06290

DECAL-CAUTION E/G START

1шт.

2-12

91LB-06350

DECAL-MCU CONNECT

2шт.

2-13

91M8-01140

DECAL-FUELING

1шт.

2-14

91LB-06430

DECAL-KEEPCLEAR

1шт.

2-15

91LB-06440

DECAL-KEEPCLEAR

1шт.

2-16

91LB-06190

DECAL-GREASE(A)

1шт.

2-17

91LB-06170

DECAL-GREASE(C)

1шт.

2-18

91LB-06180

DECAL-GREASE(D)

1шт.

2-19

91LB-01370

DECAL-DRAIN/ENGINE

1шт.

2-2

92LP-15190

DECAL-LH/HYD TANK

1шт.

2-21

92LP-15210

DECAL-RH/HYD TANK

1шт.

R2-22

91N6-03200

ACCUMULATOR

RIDE CONTROL

5шт.

2-22

91N6-03200

ACCUMULATOR

4шт.

2-24

91LC-16170

DECAL-START PROCEDURE

1шт.

2-25

91LB-01220

DECAL-QUICK COUPLER

2шт.

2-26

91Q6-03230

DECAL-FUEL SHUT OFF

1шт.

2-27

91Q4-07170

DECAL-WATER SEPARATOR

1шт.

3

21EK-10150

REFLECTOR-SIDE

6шт.

4

51EK-52990

REFLECTOR-REAR

2шт.

5

E171-1246

RIVET

8шт.

6

S403-05200B

WASHER-PLAIN

2шт.

20

92LM-00080

DECAL KIT-A/S

1шт.

20-1

91N6-01111

DECAL-TURBO COVER

2шт.

20-2

91N6-01121

DECAL-RADIATOR CAP

1шт.

20-3

91N6-07112

DECAL-STAY FIX

2шт.

20-4

91E1-27110

DECAL-LOW EMI ENGINE

1шт.

20-5

91LB-01230

DECAL-MAX H/REACH

1шт.

20-6

91LB-01240

DECAL-ROLL OVER

1шт.

20-7

91LB-01340

DECAL-HAMMER

1шт.

20-8

91N6-07261

DECAL-ALTERNATE EXIT

1шт.

20-9

91N6-07290

DECAL-FIRE

1шт.

20-1

91E1-26300

DECAL-STEP TREAD

2шт.

Выбрано товаров: 67