Запчасти Hyundai HL730TM-9 PAGE 3100 GREASE PIPING(REAR) ГИДРАВЛИЧЕСКАЯ СИСТЕМА

Схема запчастей Hyundai HL730TM-9 - PAGE 3100 GREASE PIPING(REAR) ГИДРАВЛИЧЕСКАЯ СИСТЕМА
FIT
1:1
100%

Артикул

Название

Примечание

Количество

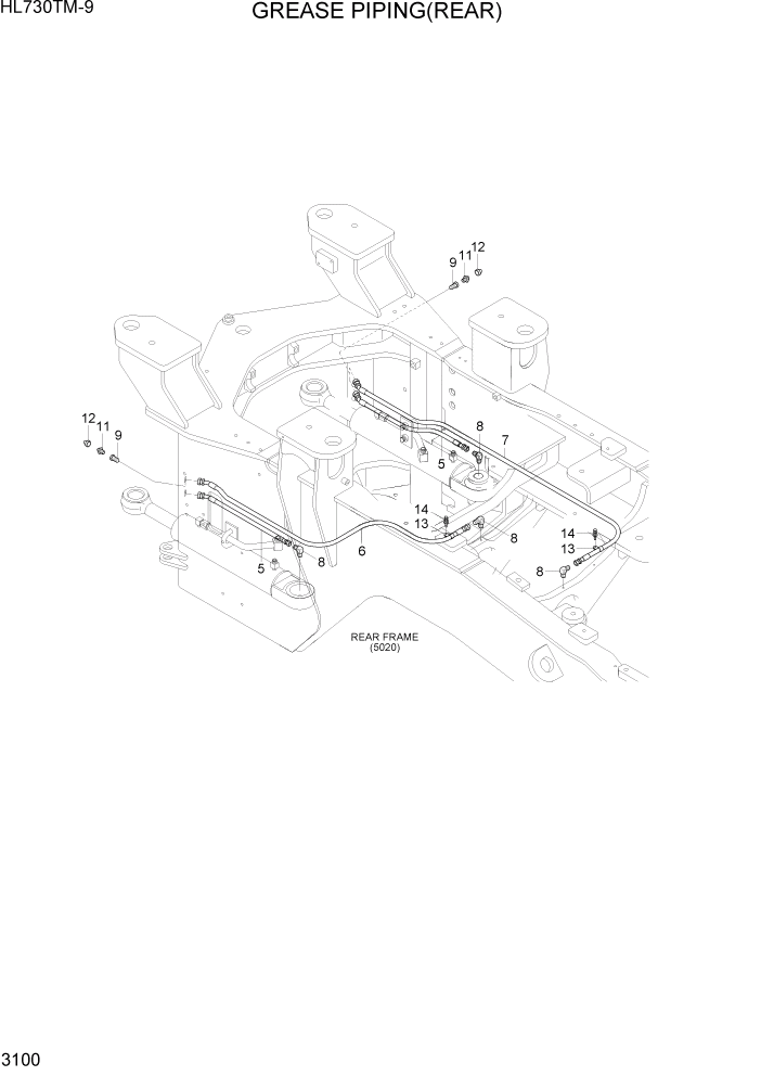
5

P850-042013

HOSE ASSY-SYN 0X45

2шт.

6

P850-042026

HOSE ASSY-SYN 0X45

1шт.

7

P850-042035

HOSE ASSY-SYN 0X45

1шт.

8

61L1-3909

ELBOW-90

4шт.

9

31LB-50020

CONNECTOR

4шт.

11

S651-810002

NIPPLE-GREASE

4шт.

12

S654-000000

CAP-GREASE NIPPLE

4шт.

13

S543-140002

CLAMP-TUBE

2шт.

14

S037-102056

BOLT-W/WASHER

2шт.

Выбрано товаров: 9