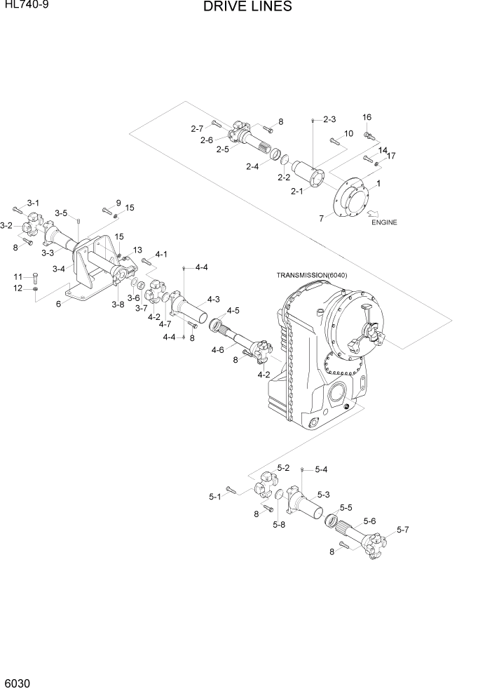
Запчасти Hyundai HL740-9 PAGE 6030 DRIVE LINES СИЛОВАЯ СИСТЕМА

Схема запчастей Hyundai HL740-9 - PAGE 6030 DRIVE LINES СИЛОВАЯ СИСТЕМА
FIT
1:1
100%

Артикул

Название

Примечание

Количество

1

11L7-00031

DAMPER

1шт.

2

81LF-30040

D/SHAFT-UPPER

1шт.

2-1

247-5C126L

FLANGE-OUTER

1шт.

2-2

910-56

PLUG

1шт.

2-3

710-PT81

SCREW-PLUG

1шт.

2-4

810-415JK

SEAL-JOINT

1шт.

2-5

300-5C145L

YOKE SHAFT

1шт.

2-6

100-5C-1

J/BEARING ASSY

1шт.

2-7

103-83UNF

BOLT

4шт.

3

81LF-30010

D/SHAFT-FRONT

1шт.

3-1

103-83UNF

BOLT

4шт.

3-2

100-6C-1

J/BEARING ASSY

1шт.

3-3

40AF-6C639L

SHAFT ASSY-SLIP

1шт.

3-4

700-UCF311

BEARING-FLANGE

1шт.

3-5

710-M1215

SCREW-SET

1шт.

3-6

120-M27

WASHER

1шт.

3-7

110-M27

NUT-LOCK

1шт.

3-8

210-6C100L

FLANGE COMPLETE

1шт.

4

81LF-30020

D/SHAFT-CENTER

1шт.

4-1

103-83UNF

BOLT

8шт.

4-2

100-6C-1

J/BEARING ASSY

2шт.

4-3

200-6C200L

YOKE ASSY-SLIP

1шт.

4-4

101-PT81

NIPPLE-GREASE

2шт.

4-5

810-415JK

SEAL-JOINT

1шт.

4-6

40AF-6C693L

SHAFT ASSY-SLIP

1шт.

4-7

910-56

PLUG

1шт.

5

81LN-30030

D/SHAFT-REAR

1шт.

5-1

103-83UNF

BOLT

8шт.

5-2

100-6C-1

J/BEARING ASSY

1шт.

5-3

200-6C200L

YOKE ASSY-SLIP

1шт.

5-4

710-PT81

SCREW-PLUG

1шт.

5-5

810-415JK

SEAL-JOINT

1шт.

5-6

40AF-5C278L

SPLINE SHAFT SUB ASSY

1шт.

5-7

100-5C-1

J/BEARING ASSY

1шт.

5-8

910-56

PLUG

1шт.

6

81LN-30050

BRACKET WA

1шт.

7

81L7-30060

COVER-F/HOUSING

1шт.

8

S088-060286

BOLT-HEX,UNIFIED

24шт.

9

S017-20060D

BOLT-HEX

4шт.

10

S017-100306

BOLT-HEX

6шт.

11

S017-16040D

BOLT-HEX

4шт.

12

S441-160006

WASHER-HARDENED

4шт.

13

S205-201006

NUT-HEX

4шт.

14

S129-060126

BOLT-SOCKET,UNIFIED

8шт.

15

S441-200006

WASHER-HARDENED

8шт.

16

S037-102056

BOLT-W/WASHER

6шт.

17

S411-100006

WASHER-SPRING

8шт.

Выбрано товаров: 47