Запчасти Hyundai HL740TM-9 PAGE 6040 TRANSMISSION MOUNTING СИЛОВАЯ СИСТЕМА

Схема запчастей Hyundai HL740TM-9 - PAGE 6040 TRANSMISSION MOUNTING СИЛОВАЯ СИСТЕМА
FIT
1:1
100%

Артикул

Название

Примечание

Количество

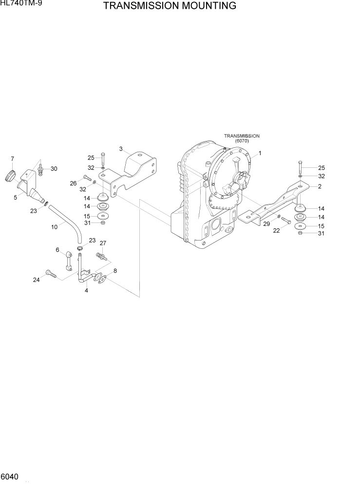
1

81LN-60010

TRANSMISSION

6070~6271

1шт.

2

81LN-60110

BRACKET WA

1шт.

3

81LN-60120

BRACKET WA

1шт.

4

81LN-60101

PIPE WA

1шт.

5

11LP-00280

PIPE WA

1шт.

6

11LM-00121

LEVEL GAUGE

1шт.

7

11LM-00330

CAP-FILLER

1шт.

8

12L2-0013

GASKET

1шт.

10

P760-043048

HOSE-RUBBER

1шт.

14

11N6-10450

RUBBER-MOUNT

8шт.

15

11L7-00170

WASHER-MOUNT

4шт.

22

S017-16035D

BOLT-HEX

4шт.

23

S572-400006

CLAMP-HOSE,WIRE TYPE

2шт.

24

S017-200306

BOLT-HEX

1шт.

25

S017-20130D

BOLT-HEX

4шт.

26

S017-200406

BOLT-HEX

4шт.

27

S035-082546

BOLT-W/WASHER

2шт.

29

S441-160006

WASHER-HARDENED

4шт.

30

S037-102056

BOLT-W/WASHER

3шт.

31

S205-20100B

NUT-HEX

4шт.

32

S441-200006

WASHER-HARDENED

9шт.

Выбрано товаров: 21