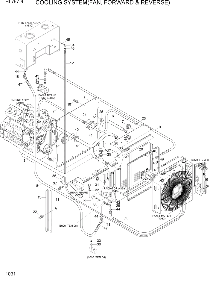
Запчасти Hyundai HL757-9 PAGE 1031 COOLING SYSTEM(FAN, FORWARD & REVERSE) СИСТЕМА ДВИГАТЕЛЯ

Схема запчастей Hyundai HL757-9 - PAGE 1031 COOLING SYSTEM(FAN, FORWARD & REVERSE) СИСТЕМА ДВИГАТЕЛЯ
FIT
1:1
100%

Артикул

Название

Примечание

Количество

3

11LM-30070

HOSE-RUBBER LOW

1шт.

4

11LM-30080

HOSE-RUBBER LOW

1шт.

5

11LM-30093

SCREEN

1шт.

6

P760-033130

HOSE-RUBBER LOW

1шт.

7

P760-011140

HOSE-RUBBER

1шт.

8

P910-162032

HOSE ASSY-ORFS 0X0

1шт.

9

P930-124057

HOSE ASSY-ORFS 0X90

1шт.

10

P930-122023

HOSE ASSY-ORFS 0X90

1шт.

11

11LM-30411

SCREEN PLATE

2шт.

12

P910-062064

HOSE ASSY-ORFS 0X0

1шт.

13

S772-010500

WEATHER STRIP

2шт.

14

P760-021090

HOSE-RUBBER LOW

1шт.

15

11LM-30300

CONNECTOR

1шт.

16

S037-122556

BOLT-W/WASHER

16шт.

17

14E7-01070

SIGHT GAUGE ASSY

1шт.

18

X530-110005

ELBOW-45,ORFS

2шт.

19

11LC-30470

CONNECTOR-ORFS

2шт.

20

S771-035200

WEATHER STRIP

1шт.

21

31LF-30120

CONNECTOR

1шт.

22

S037-101556

BOLT-W/WASHER

6шт.

23

S571-180002

CLAMP-HOSE,WIRE TYPE

2шт.

24

S681-290400

GROMMET

1шт.

25

S681-460400

GROMMET

3шт.

26

S572-640006

CLAMP-HOSE,WIRE TYPE

4шт.

27

S572-320002

CLAMP-HOSE,WIRE TYPE

4шт.

28

S572-580002

CLAMP-HOSE,WIRE TYPE

4шт.

29

X820-165354

TEE-R/TYPE,ORFS

1шт.

30

P090-100808

CONNECTOR-HOSE

1шт.

31

S017-16035D

BOLT-HEX

6шт.

32

S441-160006

WASHER-HARDENED

6шт.

33

S572-200002

CLAMP-HOSE,WIRE TYPE

2шт.

34

X520-110014

ELBOW-90,ORFS

1шт.

35

11LM-30352

SCREEN PLATE-LH

1шт.

36

11LM-30361

SCREEN PLATE-RH

1шт.

37

S037-102056

BOLT-W/WASHER

10шт.

38

S772-001500

WEATHER STRIP

1шт.

39

S772-005800

WEATHER STRIP

1шт.

40

S791-020032

GROMMET-PLATE

1шт.

41

S791-020046

GROMMET-PLATE

2шт.

42

S611-023001

O-RING

1шт.

43

S621-018001

O-RING

4шт.

44

S631-029004

O-RING

3шт.

45

S631-018004

O-RING

1шт.

46

S621-012001

O-RING

2шт.

47

S621-021001

O-RING

2шт.

48

S611-016001

O-RING

2шт.

49

S611-009001

O-RING

1шт.

Выбрано товаров: 47