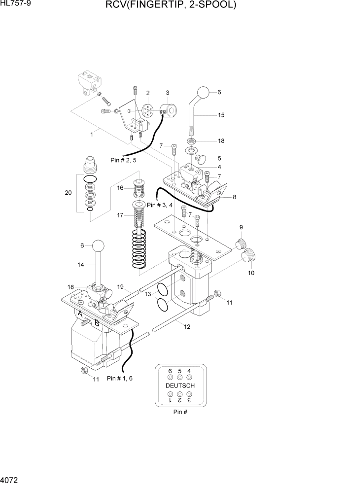
Запчасти Hyundai HL757-9 PAGE 4072 RCV(FINGERTIP, 2-SPOOL) ГИДРАВЛИЧЕСКИЕ КОМПОНЕНТЫ

Схема запчастей Hyundai HL757-9 - PAGE 4072 RCV(FINGERTIP, 2-SPOOL) ГИДРАВЛИЧЕСКИЕ КОМПОНЕНТЫ
FIT
1:1
100%

Артикул

Название

Примечание

Количество

*

31LM-10221

RCV-FINGERTIP-2SPOOL

1шт.

1

YUCT-00003

BRACKET KIT-MAGNET

3шт.

2

YUCT-00005

MAGNET

3шт.

4

YUCT-00004

BEARING PLATE

2шт.

5

YUCT-00006

ANCHOR PLATE(I/HOLE 8)

STD DETENT

2шт.

5

YUCT-00038

ANCHOR PLATE(I/HOLE 10)

LIGHT DETENT

3шт.

6

YUCT-00039

LEVER KIT L3

1шт.

7

YUCT-00040

LEVER KIT L4

1шт.

9

YUCT-00018

PLUG KIT

1шт.

11

YUCT-00044

TIE ROD KIT

3шт.

16

YUCT-00041

PUSH PIN

4шт.

17

YUCT-00042

SPRING PACK

4шт.

20

YUCT-00010

SEAL KIT

4шт.

K

YUCT-00043

CONNECTOR KIT DEUTSCH

1шт.

Выбрано товаров: 14