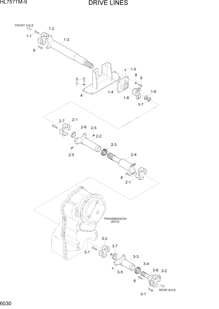
Запчасти Hyundai HL757TM-9 PAGE 6030 DRIVE LINES СИЛОВАЯ СИСТЕМА

Схема запчастей Hyundai HL757TM-9 - PAGE 6030 DRIVE LINES СИЛОВАЯ СИСТЕМА
FIT
1:1
100%

Артикул

Название

Примечание

Количество

1

81LD-30070

DRIVE SHAFT-FRONT

1шт.

1-1

103-21UNF

BOLT

4шт.

1-2

100-7C-1

J/BEARING ASSY

1шт.

1-3

40AF-7C646L

SLIP SHAFT SUB ASSY

1шт.

1-4

700-UCF312

BEARING-FLANGE

1шт.

1-5

710-M1215

SCREW-SET

1шт.

1-6

120-M27

WASHER

1шт.

1-7

110-M27

NUT-LOCK

1шт.

1-8

210-7C863L

FLANGE COMPLETE

1шт.

2

81LM-30080

DRIVE SHAFT-CENTER

1шт.

2-1

100-7C-1

J/BEARING ASSY

2шт.

2-2

220-7C200L

YOKE-SLEEVE

CHANGE W/2-3

1шт.

2-3

810-415JK

SEAL-JOINT

1шт.

2-4

40AC-7C728L

SLIP SHAFT SUB ASSY

1шт.

2-5

101-PT81

NIPPLE-GREASE

2шт.

2-6

910-56

PLUG

1шт.

2-7

103-21UNF

BOLT

8шт.

3

81LM-30090

DRIVE SHAFT-REAR

1шт.

3-1

103-21UNF

BOLT

8шт.

3-2

100-7C-1

J/BEARING ASSY

2шт.

3-3

200-7C126L

SLIDING-OUTER

CHANGE W/3-4

1шт.

3-4

810-415JK

SEAL-JOINT

1шт.

3-5

710-PT81

SCREW-PLUG

1шт.

3-6

300-7C160L

SLIDING-INNER

1шт.

3-7

910-56

PLUG

1шт.

4

81LM-30020

BRACKET WA

1шт.

5

S017-16050D

BOLT-HEX

4шт.

6

S088-060326

BOLT-HEX,UNIFIED

20шт.

7

S441-160006

WASHER-HARDENED

4шт.

8

S441-200006

WASHER-HARDENED

4шт.

9

S017-20060D

BOLT-HEX

4шт.

Выбрано товаров: 31