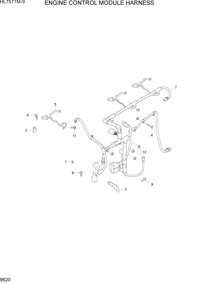
Запчасти Hyundai HL757TM-9 PAGE 9620 ENGINE CONTROL MODULE HARNESS ДВИГАТЕЛЬ БАЗА

Схема запчастей Hyundai HL757TM-9 - PAGE 9620 ENGINE CONTROL MODULE HARNESS ДВИГАТЕЛЬ БАЗА
FIT
1:1
100%

Артикул

Название

Примечание

Количество

1

3900589

NUT-HEX FLANGE

WR9392-01

2шт.

2

4933023

BRACE-WIRING

2шт.

3

3963736

CLIP-WIRE RETAINING

6шт.

4

3913638

SCREW-HEX F/HEAD CAP

3шт.

5

3287699

HARNESS-WIRING

3шт.

6

4890404

CLIP-WIRE RETAINING

3шт.

7

4939039

HARNESS-ECM WIRING

1шт.

8

3900626

SCREW-HEX F/HEAD CAP

1шт.

9

3093956

SCREW-HEX F/HEAD CAP

1шт.

10

3918363

SPACER-MOUNTING

2шт.

11

3900627

SCREW-HEX F/HEAD CAP

2шт.

12

3906216

NUT-HEX FLANGE

3шт.

Выбрано товаров: 12