Запчасти Hyundai HL760-9 PAGE 6040 TRANSMISSION MOUNTING СИЛОВАЯ СИСТЕМА

Схема запчастей Hyundai HL760-9 - PAGE 6040 TRANSMISSION MOUNTING СИЛОВАЯ СИСТЕМА
FIT
1:1
100%

Артикул

Название

Примечание

Количество

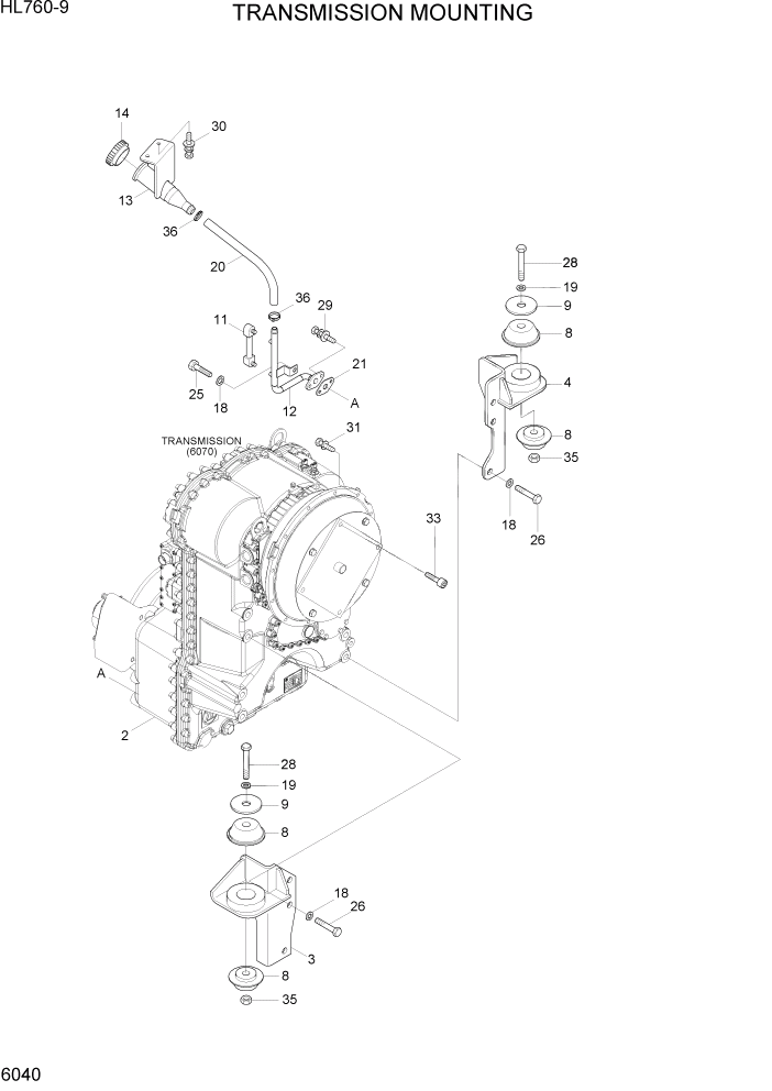
2

11LL-00020

T/M & T/C ASSY

1шт.

3

11LM-00420

BRACKET WA-LH

1шт.

4

11LM-00430

BRACKET WA-RH

1шт.

8

11N6-13060

RESILIENT

4шт.

9

11N8-00060

WASHER

2шт.

11

11LM-00121

LEVEL GAUGE

1шт.

12

11LM-00251

PIPE WA

1шт.

13

11LM-00280

PIPE WA

1шт.

14

11LM-00330

CAP-FILLER

1шт.

18

S441-200006

WASHER-HARDENED

6шт.

19

S441-240006

WASHER-HARDENED

2шт.

20

P760-043066

HOSE-RUBBER LOW

1шт.

21

12L2-0013

GASKET

1шт.

25

S017-20030D

BOLT-HEX

1шт.

26

S017-20040D

BOLT-HEX

6шт.

28

S017-241806

BOLT-HEX

2шт.

29

S035-082526

BOLT-W/WASHER

2шт.

30

S037-102056

BOLT-W/WASHER

2шт.

31

S037-103556

BOLT-W/WASHER

12шт.

33

S109-100356

BOLT-SOCKET

4шт.

35

S205-241006

NUT-HEX

2шт.

36

S572-400006

CLAMP-HOSE,WIRE TYPE

2шт.

Выбрано товаров: 22