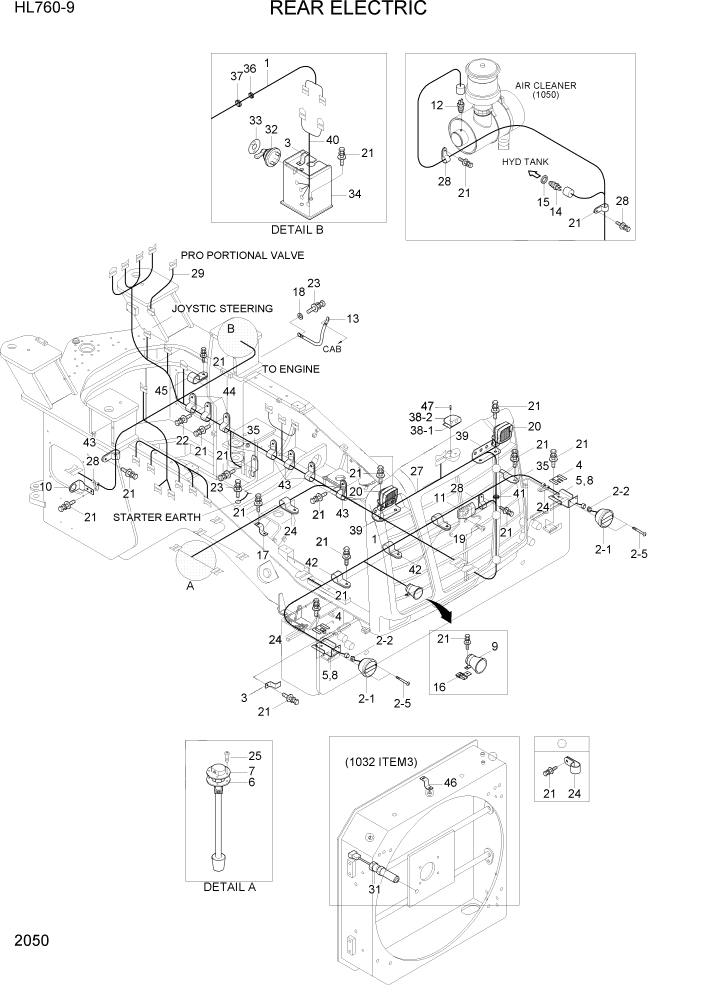
Запчасти Hyundai HL760-9 PAGE 2050 REAR ELECTRIC ЭЛЕКТРИЧЕСКАЯ СИСТЕМА

Схема запчастей Hyundai HL760-9 - PAGE 2050 REAR ELECTRIC ЭЛЕКТРИЧЕСКАЯ СИСТЕМА
FIT
1:1
100%

Артикул

Название

Примечание

Количество

1

21LL-03102

HARNESS-FRAME

#0029

1шт.

1

21LL-03103

HARNESS-FRAME

#0030

1шт.

2

21EK-10411

LAMP-TAIL STOP FLASHER

2шт.

2-1

21EK-10180

LAMP-TAIL STOP FLASHER

1шт.

2-2

21EK-20200

HARNESS-REAR COMBI

1шт.

2-3

21EK-10290

BULB-21W

NOT SHOWN

2шт.

2-4

21EK-10270

BULB-5W

NOT SHOWN

1шт.

2-5

21LB-51550

SCREW

2шт.

3

21E7-0612

PLATE-CONNECTOR

#0029

2шт.

3

21E7-0612

PLATE-CONNECTOR

#0030

1шт.

4

21LM-03220

SHIM

2шт.

5

21LL-03400

PLATE

HL760XTD-9

2шт.

6

E128-1053

GASKET

1шт.

7

21LM-00180

FUEL SENDOR

1шт.

8

21LL-03200

PLATE

HL760-9

2шт.

9

21N4-46800

BUZZER-BACK

1шт.

10

21LQ-01522

PLATE

1шт.

11

21LB-34250

LAMP SUB-NUMBER PLATE

1шт.

11-1

21EK-10160

LAMP-NUMBER PLATE

NOT SHOWN

1шт.

11-2

21LB-34260

HARNESS-EXT(N/LAMP)

NOT SHOWN

1шт.

11-3

21EK-10260

BULB-10W

NOT SHOWN

1шт.

12

11FG-20110

SENSOR-AIR CLEANER

1шт.

13

21L8-30720

STRAP-EARTH

1шт.

14

21EN-40100

SENDER-TEMP

1шт.

15

21EA-50260

PACKING-TEMP SW

1шт.

16

25D1-10640

CLIP ASSY

1шт.

17

21E7-0606

PLATE-CONNECTOR

1шт.

18

S431-100002

WASHER-INTERNAL T/LOCK

4шт.

19

S151-040156

SCREW-TAPPING

2шт.

20

21LM-03500

WORK LAMP-CABIN

2шт.

21

S037-102026

BOLT-W/WASHER

36шт.

22

S037-122026

BOLT-W/WASHER

2шт.

23

S037-102022

BOLT-W/WASHER

3шт.

24

S593-000702

CLIP-HARNESS

10шт.

25

S161-050156

SCREW-CROSS R/ROUND

5шт.

26

S552-035146

CLAMP-BAND

10шт.

27

21LK-03131

HARNESS-GRILL

1шт.

28

S593-000902

CLIP-HARNESS

4шт.

29

21LM-01051

HARNESS-JOYSTICK

JOYSTICK STEER

1шт.

31

21LM-08210

SPEED SENSOR

1шт.

32

21LM-10500

SWITCH-MASTER

MASTER SWITCH

1шт.

33

21LD-34180

DECAL-MASTER SWITCH

MASTER SWITCH

1шт.

34

21LM-05401

PLATE-SWITCH

1шт.

35

21N5-40340

CLIP-METAL

2шт.

36

S681-290400

GROMMET

1шт.

37

S681-291600

GROMMET

1шт.

38

21LM-39000

REAR VIEW CAMERA

CAMERA

1шт.

38-1

21LM-38100

BRACKET ASSY

CAMERA

1шт.

38-2

21LM-38000

CAMERA

CAMERA

1шт.

39

21LM-03210

PLATE

2шт.

40

21LM-10511

HARNESS-EXTENSION

MASTER SWITCH

1шт.

41

S681-190400

GROMMET

1шт.

42

31L7-10190

CLAMP-TUBE

3шт.

43

31L7-10200

CLAMP-TUBE

7шт.

44

31L7-10210

CLAMP-TUBE,INS

3шт.

45

31L7-10220

CLAMP-TUBE

1шт.

46

21N5-40340

CLIP-METAL

CAMERA

1шт.

47

S161-060156

SCREW-CROSS R/ROUND

CAMERA

4шт.

48

S035-082026

BOLT-W/WASHER

2шт.

Выбрано товаров: 59