Запчасти Hyundai HL770-9 PAGE 6020 FRONT & REAR AXLE MTG СИЛОВАЯ СИСТЕМА

Схема запчастей Hyundai HL770-9 - PAGE 6020 FRONT & REAR AXLE MTG СИЛОВАЯ СИСТЕМА
FIT
1:1
100%

Артикул

Название

Примечание

Количество

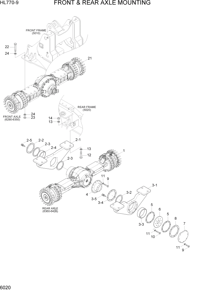
1

81LB-20070

REAR AXLE ASSY

1шт.

2

81LK-20100

SUPPORT ASSY-FRONT

1шт.

2-1

81LK-20110

SUPPORT WA-FRONT

1шт.

2-2

81LB-20120

COVER

1шт.

2-3

81LB-20130

SEAL-DUST(DKIY TYPE)

2шт.

2-4

81LB-20140

BUSHING

1шт.

2-5

S037-102556

BOLT-W/WASHER

6шт.

3

81LK-20200

SUPPORT ASSY-REAR

1шт.

3-1

81LB-20211

SUPPORT WA-REAR

1шт.

3-2

S700-190508

DUST SEAL-DKIY TYPE

1шт.

3-3

84L1-00680

BUSHING

1шт.

3-4

81LB-20280

COVER

1шт.

3-5

S035-081556

BOLT-W/WASHER

8шт.

4

81LB-20170

SHAFT-AXLE

1шт.

5

81LB-20240

WASHER-THRUST

2шт.

6

81LB-20250

DISC

1шт.

7

81LB-20260

COVER

1шт.

8

81LB-20270

SHIM

2шт.

9

S017-16050D

BOLT-HEX

21шт.

10

S017-16045D

BOLT-HEX

8шт.

11

S441-160006

WASHER-HARDENED

29шт.

12

S018-361206

BOLT-HEX

8шт.

13

S441-360006

WASHER-HARDENED

16шт.

14

S206-361006

NUT-HEX

8шт.

21

81LB-10030

FRONT AXLE ASSY

1шт.

22

S018-333106

BOLT-HEX

8шт.

23

S206-331006

NUT-HEX

8шт.

24

S441-330006

WASHER-HARDENED

16шт.

Выбрано товаров: 28