Запчасти Hyundai HL770-9 PAGE 6240 IND TRANSMITTER СИЛОВАЯ СИСТЕМА

Схема запчастей Hyundai HL770-9 - PAGE 6240 IND TRANSMITTER СИЛОВАЯ СИСТЕМА
FIT
1:1
100%

Артикул

Название

Примечание

Количество

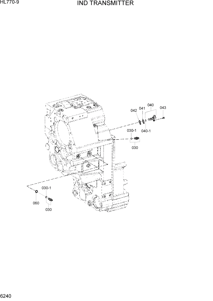
30

ZGAQ-00651

TRANSMITTER-INDICATOR

3шт.

30-1

ZGAQ-01466

O-RING

3шт.

40

ZGAQ-00653

TRANSMITTER-SPEED

1шт.

40-1

ZGAQ-00654

O-RING

1шт.

41

ZGAQ-00655

SHEET

1шт.

42

ZGAQ-00655

SHEET

2шт.

43

ZGAQ-00656

SCREW-CAP

1шт.

60

ZGAQ-01690

RING-SHIM(1.5T)

1шт.

60

ZGAQ-01691

RING-SHIM(1.4T)

1шт.

60

ZGAQ-01692

RING-SHIM(1.2T)

1шт.

60

ZGAQ-01693

RING-SHIM(1.0T)

1шт.

Выбрано товаров: 11