Запчасти Hyundai HL770-9 PAGE 1110 HEATER MOUNTING СИСТЕМА ДВИГАТЕЛЯ

Схема запчастей Hyundai HL770-9 - PAGE 1110 HEATER MOUNTING СИСТЕМА ДВИГАТЕЛЯ
FIT
1:1
100%

Артикул

Название

Примечание

Количество

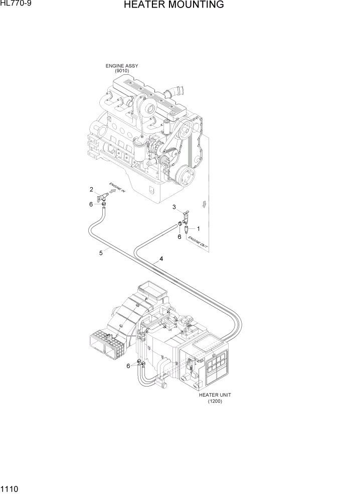
1

11LB-90160

ADAPTER

1шт.

2

11L7-90150

VALVE-HEATER

1шт.

3

14L1-01350

VALVE-HEATER

1шт.

4

11LQ-90260

HOSE-HEATER

1шт.

5

11LQ-90250

HOSE-HEATER

1шт.

6

S572-240006

CLAMP-HOSE,WIRE TYPE

4шт.

Выбрано товаров: 6