Запчасти Hyundai HL770-9 PAGE 2080 BATTERY CABLE ELECTRIC ЭЛЕКТРИЧЕСКАЯ СИСТЕМА

Схема запчастей Hyundai HL770-9 - PAGE 2080 BATTERY CABLE ELECTRIC ЭЛЕКТРИЧЕСКАЯ СИСТЕМА
FIT
1:1
100%

Артикул

Название

Примечание

Количество

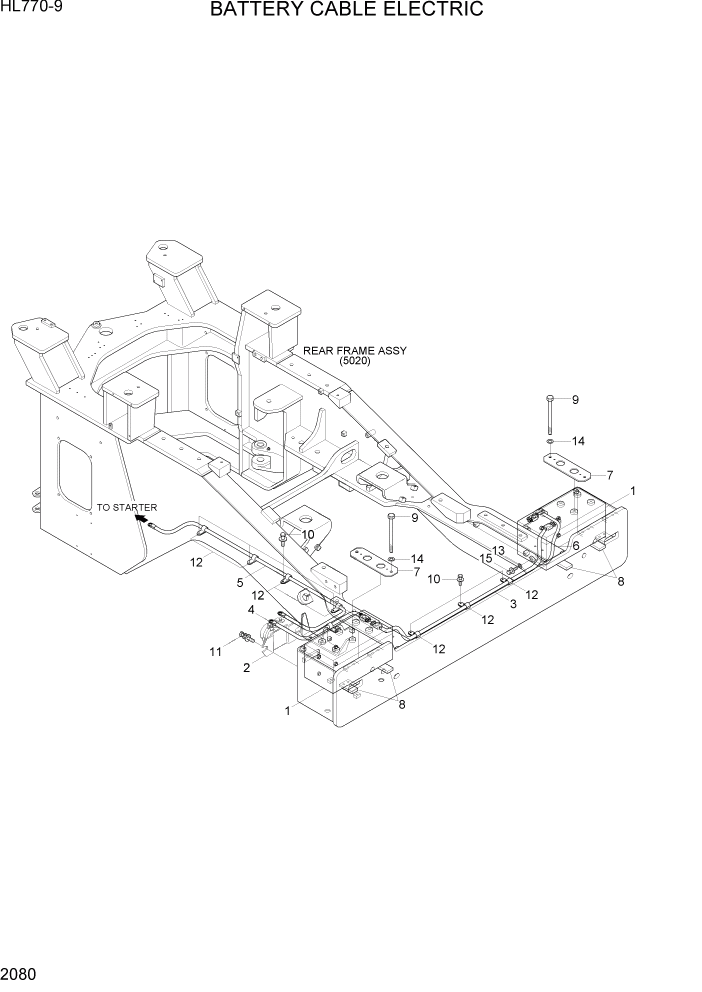
1

21L1-1012

BATTERY

2шт.

2

21E5-0003

RELAY-BATTERY

1шт.

3

21LK-05501

CABLE(BATT-BATT)

1шт.

4

21LK-07240

CABLE(BATT RY-BATT)

1шт.

5

21LK-07250

CABLE(BATT RY-STARTER)

1шт.

6

21LM-02250

CABLE(BATT-EARTH)

1шт.

7

21LK-05201

PLATE

2шт.

8

24L1-40360

PAD

4шт.

9

S017-102306

BOLT-HEX

4шт.

10

S037-102026

BOLT-W/WASHER

4шт.

11

S035-083026

BOLT-W/WASHER

2шт.

12

31L7-10200

CLAMP-TUBE

8шт.

13

S431-100002

WASHER-INTERNAL T/LOCK

1шт.

14

S411-100006

WASHER-SPRING

4шт.

15

S037-102022

BOLT-W/WASHER

1шт.

Выбрано товаров: 15