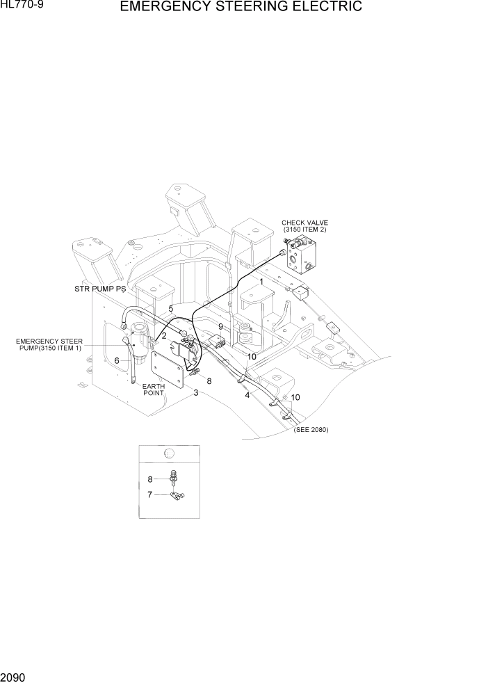
Запчасти Hyundai HL770-9 PAGE 2090 EMERGENCY STEERING ELECTRIC ЭЛЕКТРИЧЕСКАЯ СИСТЕМА

Схема запчастей Hyundai HL770-9 - PAGE 2090 EMERGENCY STEERING ELECTRIC ЭЛЕКТРИЧЕСКАЯ СИСТЕМА
FIT
1:1
100%

Артикул

Название

Примечание

Количество

E

@

EMER STEERING ELEC

NOT

1шт.

1

21LK-06402

HARNESS-E/STEERING

1шт.

2

21E5-0003

RELAY-BATTERY

1шт.

3

21LB-40051

PLATE

1шт.

4

21LL-07230

CABLE(RELAY-RELAY)

1шт.

5

21LH-20261

CABLE(RELAY-MOTOR)

1шт.

6

21LK-06500

CABLE(MOTOR-EARTH)

1шт.

7

S543-100002

CLAMP-TUBE

4шт.

8

S037-102026

BOLT-W/WASHER

6шт.

9

S035-083026

BOLT-W/WASHER

2шт.

10

31L7-10200

CLAMP-TUBE

3шт.

Выбрано товаров: 11