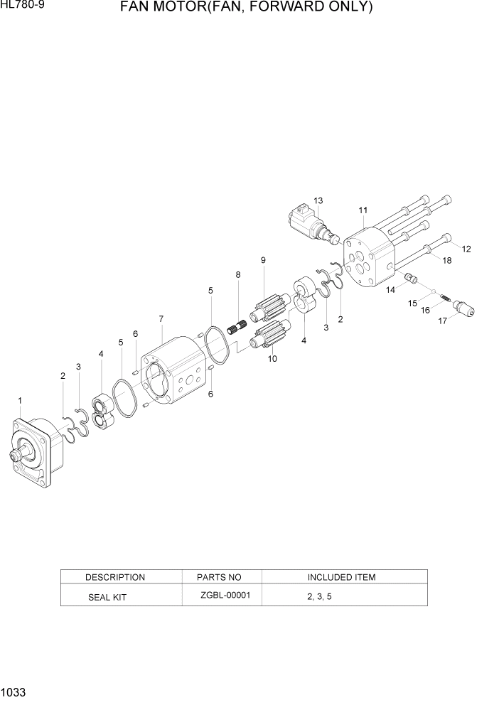
Запчасти Hyundai HL780-9 PAGE 1033 FAN MOTOR(FAN, FORWARD ONLY) СИСТЕМА ДВИГАТЕЛЯ

Схема запчастей Hyundai HL780-9 - PAGE 1033 FAN MOTOR(FAN, FORWARD ONLY) СИСТЕМА ДВИГАТЕЛЯ
FIT
1:1
100%

Артикул

Название

Примечание

Количество

*

11LK-30010

FAN MOTOR

1шт.

1

@

FRONT BEARING

NOT

1шт.

K2

@

BACK UP RING

NOT

2шт.

K3

@

SEAL

NOT

2шт.

4

@

BEARING BLOCK

NOT

2шт.

K5

@

O-RING

NOT

2шт.

6

@

DOWEL PIN

NOT

4шт.

7

@

GEAR HOUSING

NOT

1шт.

9

@

DRIVE GEAR

NOT

1шт.

10

@

IDLER GEAR

NOT

1шт.

11

@

COVER

NOT

1шт.

12

@

BOLT

NOT

4шт.

13

ZGBL-00003

CARTRIDGE-RELIEF VALVE

1шт.

14

@

VALVE SEAT

NOT

1шт.

15

@

BALL

NOT

1шт.

16

@

SPRING

NOT

1шт.

17

@

COUPLING-MEASURING

NOT

1шт.

18

@

WASHER

NOT

1шт.

K

ZGBL-00001

SEAL KIT

SEE ILLUST

1шт.

Выбрано товаров: 19