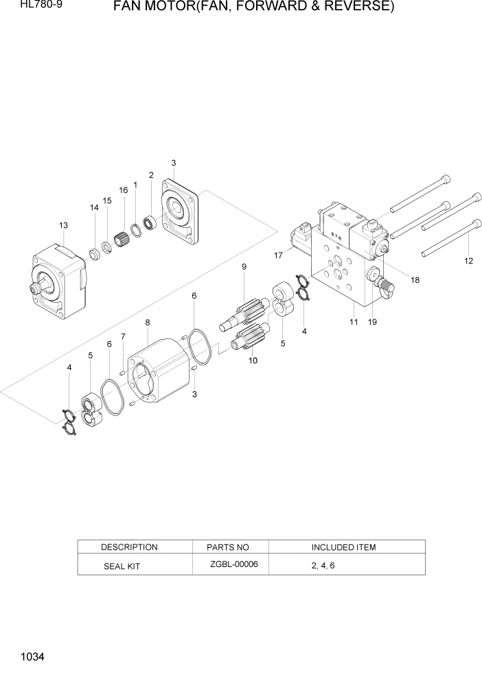
Запчасти Hyundai HL780-9 PAGE 1034 FAN MOTOR(FAN, FORWARD & REVERSE) СИСТЕМА ДВИГАТЕЛЯ

Схема запчастей Hyundai HL780-9 - PAGE 1034 FAN MOTOR(FAN, FORWARD & REVERSE) СИСТЕМА ДВИГАТЕЛЯ
FIT
1:1
100%

Артикул

Название

Примечание

Количество

*

11LK-30030

FAN MOTOR BI-DIRECTION

1шт.

1

@

RETAINING RING

NOT

1шт.

K2

@

SHAFT SEAL

NOT

1шт.

3

@

FLANGE-MOUNTING

NOT

1шт.

K4

@

SEAL

NOT

2шт.

5

@

BEARING BLOCK

NOT

2шт.

K6

@

O-RING

NOT

2шт.

7

@

DOWEL PIN

NOT

4шт.

8

@

GEAR HOUSING

NOT

1шт.

9

@

DRIVE GEAR

NOT

1шт.

10

@

IDLER GEAR

NOT

1шт.

11

@

VALVE COVER

NOT

1шт.

12

@

BOLT

NOT

4шт.

13

@

FRONT BEARING

NOT

1шт.

14

@

NUT

NOT

1шт.

15

@

SPRING LOCK WASHER

NOT

1шт.

16

@

COUPLING

NOT

1шт.

17

ZGBL-00003

CARTRIDGE-RELIEF VALVE

1шт.

18

ZGBL-00004

SOLENOID VALVE

1шт.

19

ZGBL-00005

CARTRIDGE-CHECK VALVE

1шт.

K

ZGBL-00006

SEAL KIT

SEE ILLUST

1шт.

Выбрано товаров: 21