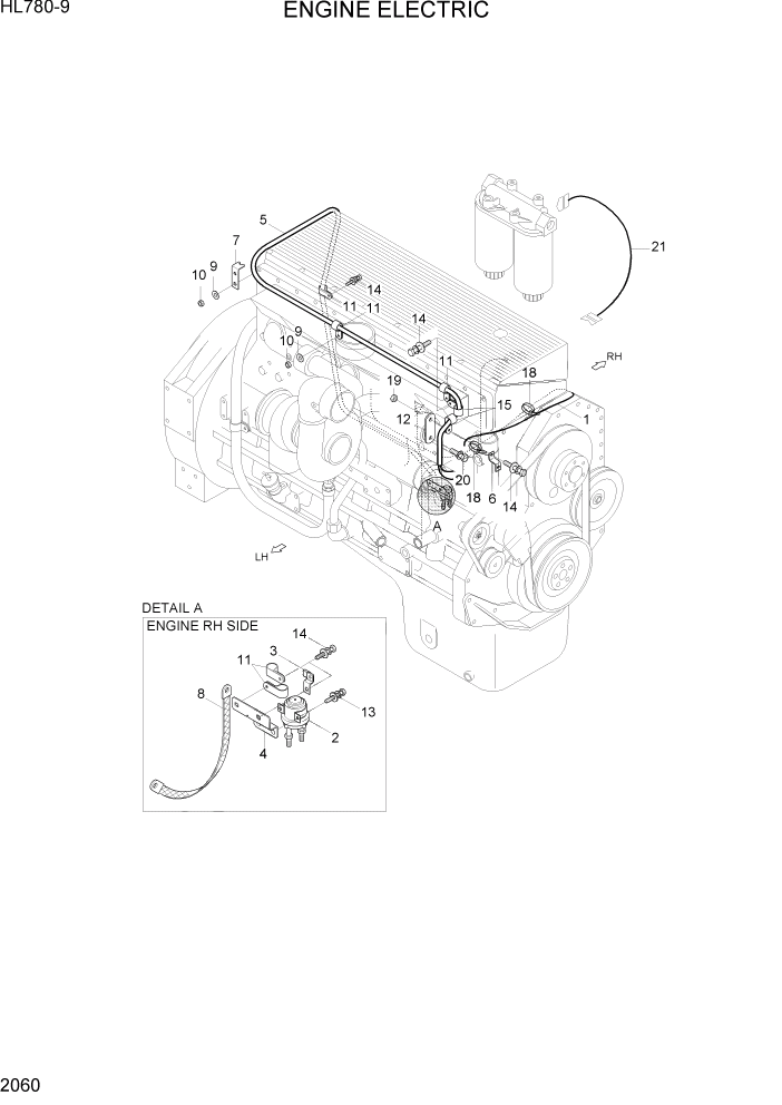
Запчасти Hyundai HL780-9 PAGE 2060 ENGINE ELECTRIC ЭЛЕКТРИЧЕСКАЯ СИСТЕМА

Схема запчастей Hyundai HL780-9 - PAGE 2060 ENGINE ELECTRIC ЭЛЕКТРИЧЕСКАЯ СИСТЕМА
FIT
1:1
100%

Артикул

Название

Примечание

Количество

1

21LQ-04101

HARNESS-ENGINE

1шт.

2

21N8-42050

RELAY-HEATER

1шт.

3

25D1-10660

CLIP ASSY

1шт.

4

21LH-31011

PLATE

1шт.

5

21LH-31002

CABLE ASSY

1шт.

6

21N4-01130

PLATE-CLIP

1шт.

7

21LH-31030

PLATE

1шт.

8

21LQ-04510

EARTH STRAP

1шт.

9

S403-08200B

WASHER-PLAIN

3шт.

10

S205-08100B

NUT-HEX

3шт.

11

31L7-10190

CLAMP-TUBE

4шт.

12

21LQ-04410

PLATE

1шт.

13

S035-061526

BOLT-W/WASHER

2шт.

14

S037-102026

BOLT-W/WASHER

5шт.

15

31L7-10200

CLAMP-TUBE

2шт.

18

S552-035146

CLAMP-BAND

8шт.

19

S205-10100B

NUT-HEX

1шт.

20

S037-121556

BOLT-W/WASHER

1шт.

21

21LB-80050

HARNESS-EXT

DUAL F/WARMER

1шт.

Выбрано товаров: 19