Запчасти Hyundai 33HDLL ELECTRIC PARTS 1

Схема запчастей Hyundai 33HDLL - ELECTRIC PARTS 1
FIT
1:1
100%

Артикул

Название

Примечание

Количество

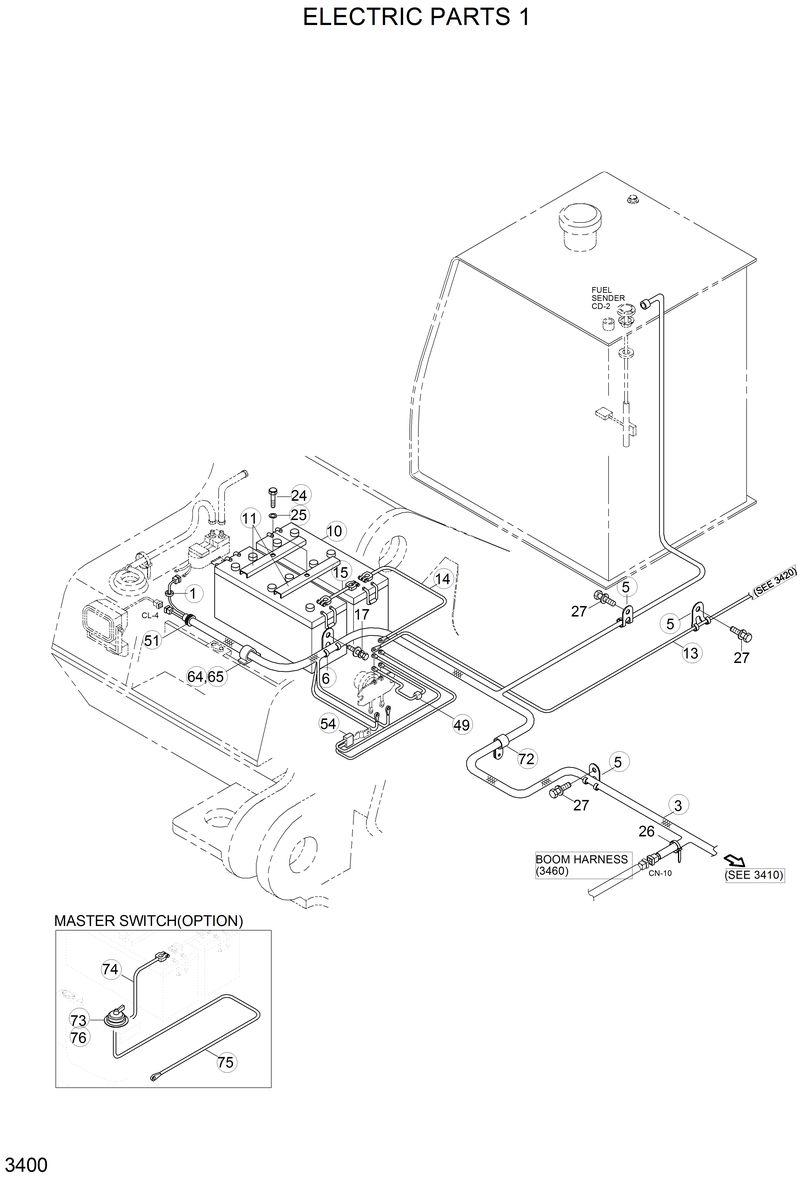
1

S681-100400

S681-100400-Grommet

10

E125-1501

E125-1501-Battery Assy

11

E125-1502

E125-1502-Bracket-Battery

13

21EM-10110

21EM-10110-Cable(Relay-Start)

14

21E2-60140

21E2-60140-Cable(Batt-Batt Ry)

15

21E2-60410

21E2-60410-Cable(Batt-Batt)

17

S037-102022

S037-102022-Bolt-W/Washer

18

S411-050002

S411-050002-Washer-Spring

24

S017-102652

S017-102652-Bolt-Hex

25

S403-102002

S403-102002-Washer-Plain

26

S552-050203

S552-050203-Clamp-Band

27

S035-122012

S035-122012-Bolt-W/Washer

3

21EM-40251

21EM-40251-Harness-Rh

49

21EA-40170

21EA-40170-Link-Fusible

5

21E9-00170

21E9-00170-Clip-Harness

51

S681-230400

S681-230400-Grommet

54

21E1-21110

21E1-21110-Wire Link-Batt Ry

6

S593-000902

S593-000902-Clip-Harness

64

21E9-06220

21E9-06220-Silicon

65

21E9-06230

21E9-06230-Clamp-Quick

72

31E7-0316

31E7-0316-Clamp

73

21L7-10500

21L7-10500-Switch-Master

74

21EM-11000

21EM-11000-Cable(Batt-Master Sw)

75

21EM-11010

21EM-11010-Cable(Master Sw-Earth)

76

21EN-00420

21EN-00420-Decal-Master Switch

Выбрано товаров: 25