Запчасти Hyundai 33HDLL ENGINE CONTROL SYSTEM

Схема запчастей Hyundai 33HDLL - ENGINE CONTROL SYSTEM
FIT
1:1
100%

Артикул

Название

Примечание

Количество

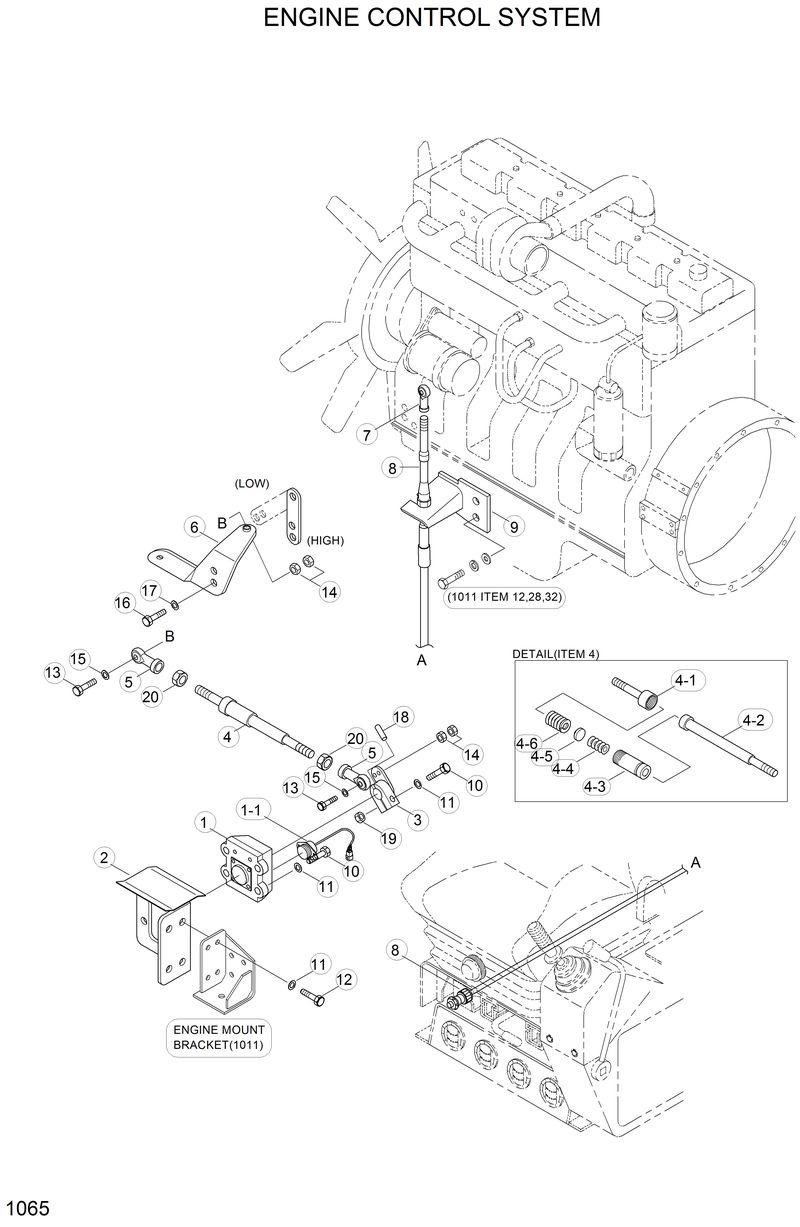
1

11E9-60010

11E9-60010-Motor-Governor

1-1

21E9-30010

21E9-30010-. Potentiometer

10

S017-100452

S017-100452-Bolt-Hex

11

S411-100002

S411-100002-Washer-Spring

12

S017-100202

S017-100202-Bolt-Hex

13

S015-060302

S015-060302-Bolt-Hex

14

S205-061002

S205-061002-Nut-Hex

15

S403-062002

S403-062002-Washer-Plain

16

S015-060352

S015-060352-Bolt-Hex

17

S411-060002

S411-060002-Washer-Spring

18

S471-500204

S471-500204-Pin-Spring

19

S205-101002

S205-101002-Nut-Hex

2

11EM-62310

11EM-62310-Bracket-Governor

20

S205-081002

S205-081002-Nut-Hex

3

11E1-48061

11E1-48061-Lever

4

11EM-62350

11EM-62350-Rod Assy

4-1

11EM-62360

11EM-62360-. Bar

4-2

11EM-62370

11EM-62370-. Rod

4-3

11E5-4510

11E5-4510-. Pipe

4-4

11E7-0074

11E7-0074-. Spring

4-5

11E9-4515

11E9-4515-. Plate

4-6

11E9-4516

11E9-4516-. Spring

5

11EM-60030

11EM-60030-End-Rod

6

11EM-62321

11EM-62321-Lever-Speed

7

E111-4504

E111-4504-End-Rod

8

11FL-60012

11FL-60012-Cable Assy-Push Pull

9

11EM-62330

11EM-62330-Bracket-Cable

Выбрано товаров: 27