Запчасти Hyundai 42HDLL ENGINE CONTROL SYSTEM(L/E,39HDRB)

Схема запчастей Hyundai 42HDLL - ENGINE CONTROL SYSTEM(L/E,39HDRB)
FIT
1:1
100%

Артикул

Название

Примечание

Количество

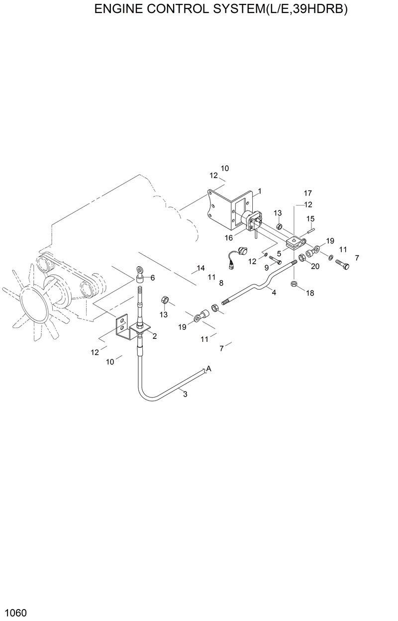
1

11E9-4601

11E9-4601-Bracket

10

S017-100202

S017-100202-Bolt-Hex

11

S411-060002

S411-060002-Washer-Spring

12

S411-100002

S411-100002-Washer-Spring

13

S201-061002

S201-061002-Nut-Hex

14

11E9-46060

11E9-46060-Lever Assy

15

S471-500204

S471-500204-Pin-Spring

16

11E9-60010

11E9-60010-Motor-Governor

16-1

21E9-30010

21E9-30010-. Potentiometer

17

S017-100402

S017-100402-Bolt-Hex

18

S205-101002

S205-101002-Nut-Hex

19

11EM-60030

11EM-60030-End-Rod

2

11E9-46080

11E9-46080-Bracket Wa

20

S205-081002

S205-081002-Nut-Hex

3

11E6-4506

11E6-4506-Cable-Push Pull

4

11E9-62020

11E9-62020-Rod

5

11E6-4505

11E6-4505-Lever

6

E111-4504

E111-4504-End-Rod

7

S015-060252

S015-060252-Bolt-Hex

8

S015-060352

S015-060352-Bolt-Hex

9

S017-100502

S017-100502-Bolt-Hex

Выбрано товаров: 21