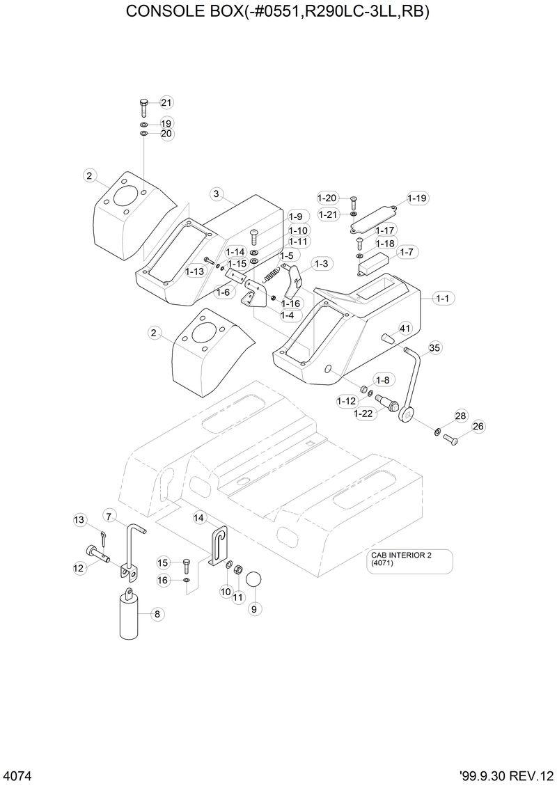
Запчасти Hyundai R290LC3LL CONSOLE BOX(-#0551,R290LC-3LL,RB)

Схема запчастей Hyundai R290LC3LL - CONSOLE BOX(-#0551,R290LC-3LL,RB)
FIT
1:1
100%

Артикул

Название

Примечание

Количество

1

71E6-25501

71E6-25501-Console Box Assy-Lh

1-1

71E6-25012

71E6-25012-. Console Box-Lh

1-10

S411-060006

S411-060006-. Washer-Spring

1-11

S403-062006

S403-062006-. Washer-Plain

1-12

S403-162006

S403-162006-. Washer-Plain

1-13

S161-040206

S161-040206-. Screw

1-14

S411-040006

S411-040006-. Washer-Spring

1-15

S401-042006

S401-042006-. Washer-Plain

1-16

S203-041006

S203-041006-. Nut-Hex

1-17

S161-080206

S161-080206-. Screw

1-18

S411-080006

S411-080006-. Washer-Spring

1-19

71E6-25690

71E6-25690-. Cover-Fuse Box

1-20

S091-040166

S091-040166-. Bolt-Wing

1-21

71E6-25960

71E6-25960-. Washer-Rubber

1-22

71E6-25910

71E6-25910-. Shaft

1-3

71E6-25271

71E6-25271-. Bracket Wa

1-4

71E6-25230

71E6-25230-. Bracket

1-5

71E6-26040

71E6-26040-. Spring

1-6

21E3-2002

21E3-2002-. Switch-Micro

1-7

24E7-00230

24E7-00230-. Box-Fuse

1-8

S205-161006

S205-161006-. Nut-Hex

1-9

9327289-03

9327289-03-. Bolt-Button Head

10

S403-122006

S403-122006-Washer-Plain

11

S205-101006

S205-101006-Nut-Hex

12

S461-160152

S461-160152-Pin-Split

13

S491-060352

S491-060352-Pin-Clevis

14

71E6-25112

71E6-25112-Plate-Lock Lever Mount

15

S015-060126

S015-060126-Bolt-Hex

16

S411-060006

S411-060006-Washer-Spring

19

S411-080006

S411-080006-Washer-Spring

2

71E6-25021

71E6-25021-Console Box-Up

20

S403-082006

S403-082006-Washer-Plain

21

S162-080206

S162-080206-Screw-C/Recess Round

26

S161-060166

S161-060166-Screw

28

S403-062006

S403-062006-Washer-Plain

3

71E6-25032

71E6-25032-Console Box(Rh)

35

71E6-25282

71E6-25282-Lever

41

2406Z248D2

2406Z248D2-Knob-Lever

7

71E9-25080

71E9-25080-Lever Wa

8

71E9-25090

71E9-25090-Pin Wa-Locking

9

E111-4509

E111-4509-Knob

Выбрано товаров: 0