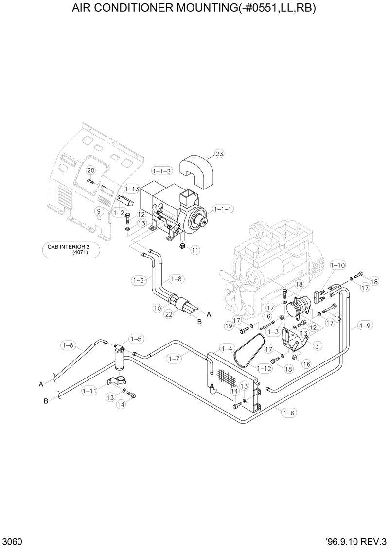
Запчасти Hyundai R290LC3LL AIR CONDITIONER MOUNTING(-#0551,LL,RB)

Схема запчастей Hyundai R290LC3LL - AIR CONDITIONER MOUNTING(-#0551,LL,RB)
FIT
1:1
100%

Артикул

Название

Примечание

Количество

1

11E9-90110

11E9-90110-Aircon Assy

1-1

11E6-90120

11E6-90120-. Aircon Unit Assy

1-1-1

11E6-90130

11E6-90130-.. Aircon Unit

1-1-2

11E6-90021

11E6-90021-.. Aircon Duct Assy

1-10

12E3-3509

12E3-3509-. Plate-Comp Joint

1-11

11E6-36100

11E6-36100-. Bracket-Receiver Drier

1-12

12E1-3509

12E1-3509-. V-Belt

1-2

11E6-90041

11E6-90041-. Control Assy

1-3

11E6-36030

11E6-36030-. Compressor Assy

1-4

11E6-36040

11E6-36040-. Condenser Assy

1-5

11E6-36050

11E6-36050-. R/Drier Assy

1-6

11E9-90070

11E9-90070-. Discharge Hose Assy

1-7

11E9-90050

11E9-90050-. Hose-Liquid(A)

1-8

11E9-90060

11E9-90060-. Hose-Liquid(B)

1-9

11E9-90080

11E9-90080-. Hose-Suction

10

S551-035146

S551-035146-Tie-Wire

11

S520-027000

S520-027000-Clamp

12

S015-080202

S015-080202-Bolt-Hex

13

S411-080002

S411-080002-Washer-Spring

14

S015-080152

S015-080152-Bolt-Hex

15

S017-100352

S017-100352-Bolt-Hex

16

S205-101002

S205-101002-Nut-Hex

17

S411-100002

S411-100002-Washer-Spring

18

S017-100302

S017-100302-Bolt-Hex

19

S017-100502

S017-100502-Bolt-Hex

20

9327289-01

9327289-01-Bolt-Button Head

22

S542-220002

S542-220002-Clamp

23

71E6-25900

71E6-25900-Duct

3

12E2-3504

12E2-3504-Bracket-Comp.Mtg

N1-13

11E6-90080

11E6-90080-. Switch-Air Con

N9

11E6-90061

11E6-90061-Panel-Control

Выбрано товаров: 31