Запчасти Hyundai HSL600 STARTER

Схема запчастей Hyundai HSL600 - STARTER
FIT
1:1
100%

Артикул

Название

Примечание

Количество

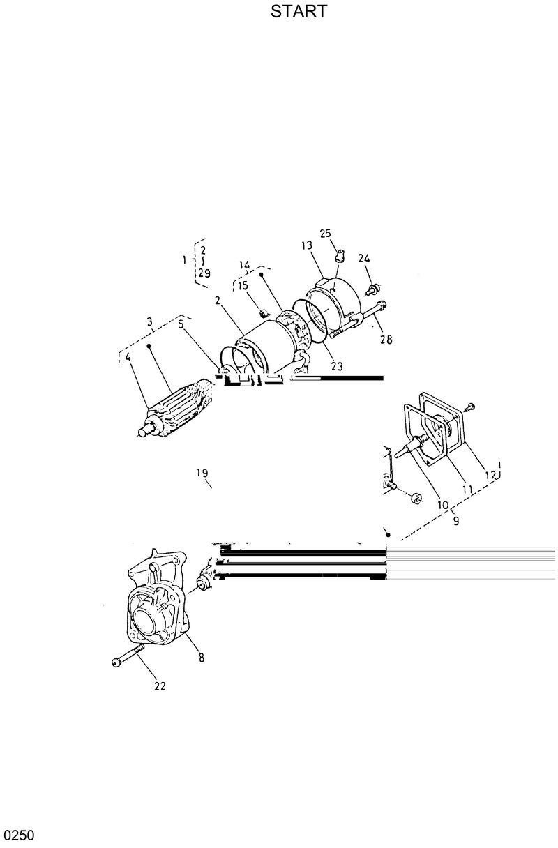
1

15461-6301-0

15461-6301-0-Starter Assy

12

15461-6351-0

15461-6351-0-Cover Solenoid

13

15511-6320-0

15511-6320-0-Assy Frame End

14

15511-6338-0

15511-6338-0-Assy Holder Brush

15

15401-6339-0

15401-6339-0-Spring-Brush

16

15511-6326-0

15511-6326-0-Gear 1

17

15401-6327-0

15401-6327-0-Plunger

17

15401-6327-0

15401-6327-0-Plunger

18

19212-6311-0

19212-6311-0-Retainer

19

19212-6310-0

19212-6310-0-Roller

2

15461-6308-0

15461-6308-0-Assy Yoke

20

19212-9713-0

19212-9713-0-Ball

20

19212-9713-0

19212-9713-0-Ball

21

19212-6312-0

19212-6312-0-Spring

22

15501-9331-0

15501-9331-0-Screw Pot

23

15511-9666-0

15511-9666-0-O-Ring

24

15511-6376-0

15511-6376-0-Bolt Assy

25

15511-6345-0

15511-6345-0-Cover

26

13963-9201-0

13963-9201-0-Nut

27

15504-6312-0

15504-6312-0-Cover Cord

28

19215-6332-0

19215-6332-0-Bolt Through

29

13801-9410-0

13801-9410-0-Nut

3

15511-6307-0

15511-6307-0-Assy Armature

4

19212-9667-0

19212-9667-0-Bearing Ball 1

5

15511-6353-0

15511-6353-0-Bearing Ball 2

6

15461-6304-0

15461-6304-0-Assy Clutch

7

17381-6328-0

17381-6328-0-Pinion

8

155111-6303-0

155111-6303-0-Flame Drive End

9

15461-6302-0

15461-6302-0-Assy Switch Magnetic

Выбрано товаров: 0