Запчасти Hyundai HSL600 ELECTRICAL SYSTEM

Схема запчастей Hyundai HSL600 - ELECTRICAL SYSTEM
FIT
1:1
100%

Артикул

Название

Примечание

Количество

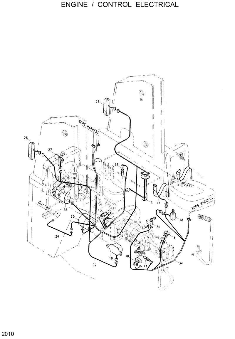
10

21S1-0021

21S1-0021-Hour Meter

11

21S1-0020

21S1-0020-Fuel Meter

12

21S1-2108

21S1-2108-Lamp-Warning

13

21S1-2107

21S1-2107-Engine Oil Presser Switch

14

21S1-2106

21S1-2106-Temp Sw-Hyd Oil

15

21S1-2105

21S1-2105-Water Temp. Switch

16

21S1-0005

21S1-0005-Fuse Box Assy

17

21S1-2104

21S1-2104-Seat Belt With Switch

18

21S1-2102

21S1-2102-Parking Switch

19

21S1-0004

21S1-0004-Voltage Regulator

2

21S1-2110

21S1-2110-Flasher Light

20

21S1-0003

21S1-0003-Start Motor

21

21S1-1004

21S1-1004-Battery Cable (+)

22

21S1-1005

21S1-1005-Battery Cable (-)

23

21S1-1100

21S1-1100-Battery Mf-68ah

24

21S1-1006

21S1-1006-Fusible Link

25

21S1-0002

21S1-0002-Alternator

26

909059400

909059400-Horn Assy

27

PF25DEL40

PF25DEL40-Back-Up Alarm

28

21S1-2112

21S1-2112-Combi Lamp

29

21S1-0001

21S1-0001-Combination Lamp

3

21S1-8001

21S1-8001-Fuel Sender

30

21S1-2100

21S1-2100-Micro Switch

32

21S1-1000

21S1-1000-W-Harness Engine

33

21S1-1001

21S1-1001-W-Harness Console

34

21S1-1002

21S1-1002-W-Harness Control

35

21S1-1003

21S1-1003-W-Harness Rops

37

21S1-1101

21S1-1101-Rod W/Nut

38

21S1-1102

21S1-1102-Clip

39

21S1-1008

21S1-1008-Solenoid Wire

N31

21S1-2103

21S1-2103-Hour Meter Switch

N36

PF25DEL10-2

PF25DEL10-2-Head Light

N36

PF25DEL10-2

PF25DEL10-2-Head Light

Выбрано товаров: 0