Запчасти Hyundai HSL600 HEATER ASSY(OPTION)

Схема запчастей Hyundai HSL600 - HEATER ASSY(OPTION)
FIT
1:1
100%

Артикул

Название

Примечание

Количество

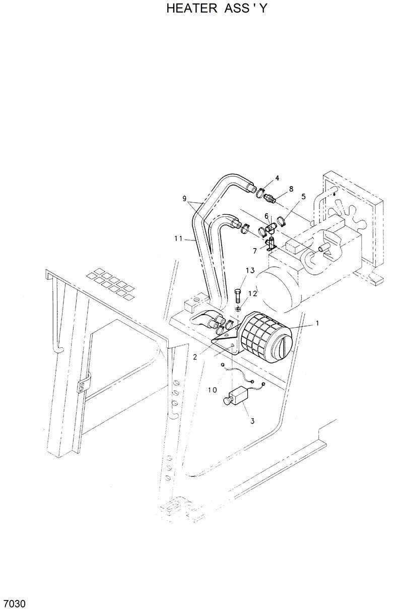
1

21F1-9007

21F1-9007-Heater Unit(24v)

10

71S1-2058

71S1-2058-Harness Heater

11

71S1-2059

71S1-2059-Insulation Guard

12

S411-100002

S411-100002-Washer-Spring

13

S205-100302

S205-100302-Deleted...

2

71S1-2051

71S1-2051-Bracket Heater

4

S520-027000

S520-027000-Clamp-Hose

5

S572-450005

S572-450005-Clamp-Hose,Wire Type

6

71S1-2055

71S1-2055-Coupling Inlet

7

E127-3136

E127-3136-Valve-Cut Off

8

71S1-2056

71S1-2056-Coupling Outlet

9

71S1-2057

71S1-2057-Hose

N3

21F1-9008

21F1-9008-Heater Switch

Выбрано товаров: 0