Качественные детали и логистика
Оригинальные и аналоговые запчасти с доставкой по России, Казахстану и Беларуси
©2022 PartSell ООО "Система" ИНН 2463123282 ОГРН 1212400004838
Центральный офис: г. Красноярск, Академика Киренского, д.87, пом.4
Телефон: 8 (800) 777-65-74 Email: zakaz@partsell.ru
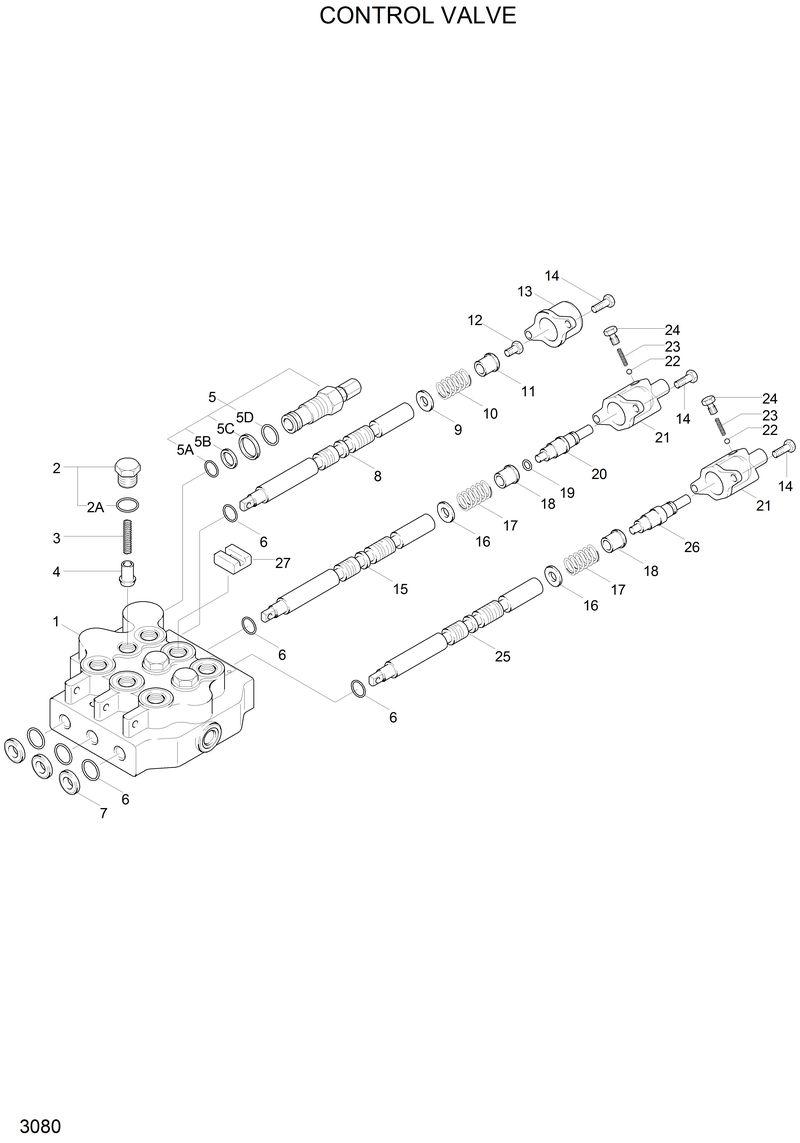
CONTROL VALVE
№
Артикул
Название
Примечание
Количество
31S4-00030
31S4-00030-Control Valve
1
1632-1-3J
1632-1-3J-Body-Machined
10
1225-18
1225-18-Spring Return
11
1225-4
1225-4-Spacer
12
30049-8308P
30049-8308P-Screw
13
1225-55
1225-55-End Cap
14
30028-8208P
30028-8208P-Screw
15
1602-146
1602-146-Spool Boom
16
1335-3
1335-3-Washer
17
1335-8
1335-8-Spring Return
18
1335-4
1335-4-Spacer
2
1602-5A
1602-5A-Assy-Plug
20
1602-40
1602-40-Spool-Detent
22
30025-6
30025-6-Ball-Steel
23
1260-25
1260-25-Spring-Detent
24
1335-7
1335-7-Plug-Detent
25
1335-13
1335-13-Spool-Aux
27
1335-28-19
1335-28-19-Plate-Orifice
3
1325-84
1325-84-Spring
4
1602-4
1602-4-Poppet-Load Check
8
1602-38
1602-38-Spool Bucket
9
1225-6
1225-6-Return Washer
K
30029-304
30029-304-Seal Kit(K)
K2A
1602-5A-1
1602-5A-1-O-Ring
K5B
10782-2300-2
10782-2300-2-Back-Up Ring
K5C
10782-2300-3
10782-2300-3-O-Ring
K5D
10782-2300-4
10782-2300-4-Back-Up Ring
K6
10815-114
10815-114-O-Ring
N19
10816-902
10816-902-O-Ring
N21
1225-155
1225-155-Cap-Detent End
N26
1602-131
1602-131-Spool-Detent
N5
10782-2300
10782-2300-Valve Relief
NK5A
10782-2300-1
10782-2300-1-O-Ring
NK7
10628
10628-Wiper Rod
Выбрано товаров: 0