Запчасти Hyundai HSL810 GEAR HOUSING

Схема запчастей Hyundai HSL810 - GEAR HOUSING
FIT
1:1
100%

Артикул

Название

Примечание

Количество

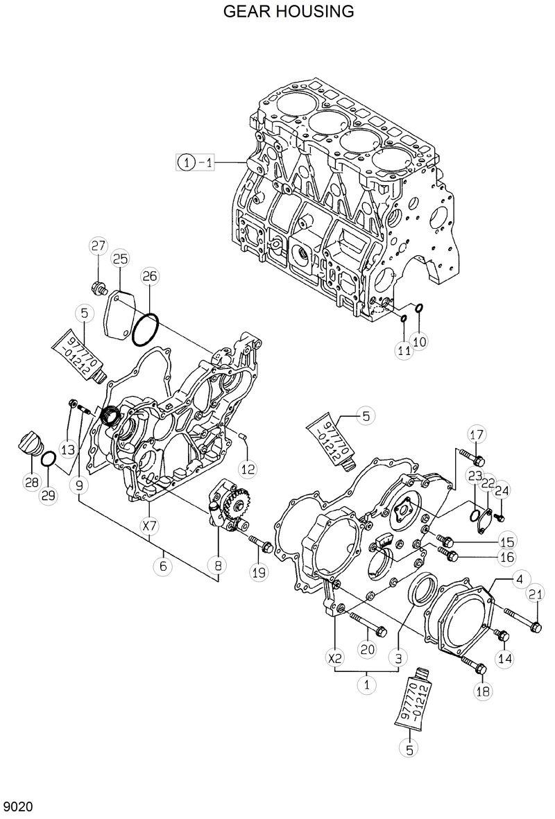
1

729900-01570

729900-01570-Cover-Gear Housing

10

129900-32030

129900-32030-O-Ring

11

129900-32040

129900-32040-O-Ring P14

12

129100-01580

129100-01580-Parallel Pin

13

26366-100002

26366-100002-Nut

14

26106-080162

26106-080162-Bolt-Plated

15

26106-080202

26106-080202-Bolt-Plated

16

26106-080302

26106-080302-Bolt-Plated

18

26106-080402

26106-080402-Bolt-Plated

18

26106-080402

26106-080402-Bolt-Plated

19

26106-080452

26106-080452-Bolt-Plated

2

129900-01570

129900-01570-. Cover-Gear Housing

21

129001-91810

129001-91810-Bolt-Plated

21

129001-91810

129001-91810-Bolt-Plated

22

121023-01550

121023-01550-Cover-Blind

23

24341-000240

24341-000240-O-Ring

24

26106-060162

26106-060162-Bolt-Plated

25

129930-01870

129930-01870-Cover-Braind

26

24321-000850

24321-000850-O-Ring

27

26106-100122

26106-100122-Bolt-Plated

28

124160-01751

124160-01751-Cover-Filler

29

24311-000320

24311-000320-O-Ring

3

129900-01780

129900-01780-. Seal-Oil

4

129900-01740

129900-01740-Cover-F.I.Pump

5

977770-01212

977770-01212-Gasket-Liquid

7

129901-01540

129901-01540-. Housing-Gear

8

129900-32000

129900-32000-. Pump Assy-Lub Oil

9

26216-100302

26216-100302-. Bolt-Stud

N

@

@-Not Individually Supplied

N6

129980-01810

129980-01810-Housing Comp-Gear

Выбрано товаров: 30