Запчасти Hyundai HSL810 GENERATOR

Схема запчастей Hyundai HSL810 - GENERATOR
FIT
1:1
100%

Артикул

Название

Примечание

Количество

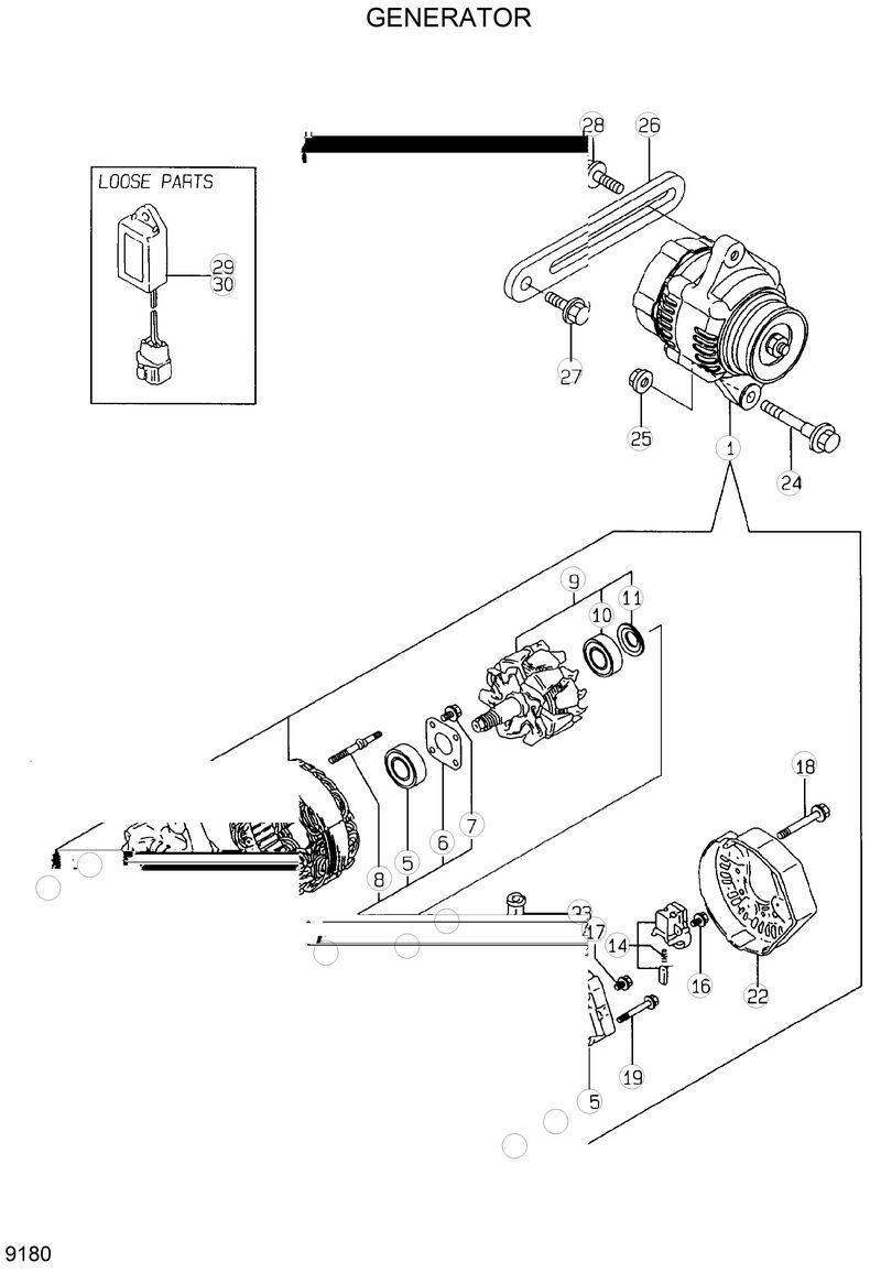
1

129052-77220

129052-77220-Generator

10

119620-79240

119620-79240-.. Bearing-Ball

11

119620-79250

119620-79250-.. Cover-Bearing

12

128401-77440

128401-77440-. Flame

13

129052-79260

129052-79260-. Holder-Rectifier

14

129052-79270

129052-79270-. Holder-Brush

15

119620-77710

119620-77710-. Regulator Assy

16

119620-79290

119620-79290-. Screw

17

119620-79300

119620-79300-. Screw

18

119620-79310

119620-79310-. Bolt

19

119620-79320

119620-79320-. Screw-W/Washer

2

119620-77460

119620-77460-. Pulley-Crankshaft

20

119620-79330

119620-79330-. Bolt

21

119620-79350

119620-79350-. Nut

22

128401-77450

128401-77450-. Cover

23

119620-79340

119620-79340-. Insulation-Bushing

24

129960-77250

129960-77250-Bolt-Generator

25

129612-77260

129612-77260-Nut-Generator

26

129900-77330

129900-77330-Ajuster-Belt

27

119810-77340

119810-77340-Bolt

28

26014-080252

26014-080252-Bolt

29

119632-77920

119632-77920-Timer

3

119620-77470

119620-77470-. Nut

30

128300-77920

128300-77920-Timer

4

119620-77421

119620-77421-. Flame Assy-Drive

5

119620-79200

119620-79200-.. Bearing-Ball

6

119620-79210

119620-79210-.. Plate

7

119620-79220

119620-79220-.. Screw

8

119620-79230

119620-79230-.. Bolt-Stud

9

129052-77380

129052-77380-. Rotator Assy

Выбрано товаров: 0