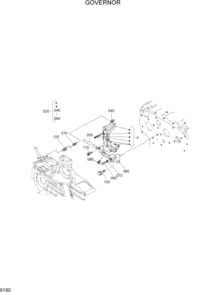
Запчасти Hyundai HSL650-7 PAGE 9180 GOVERNOR ДВИГАТЕЛЬ БАЗА

Схема запчастей Hyundai HSL650-7 - PAGE 9180 GOVERNOR ДВИГАТЕЛЬ БАЗА
FIT
1:1
100%

Артикул

Название

Примечание

Количество

*

ENS8-00170

GOVERNOR

1шт.

10

1G796-56422

SPRING-GOVERNOR

1шт.

20

1E143-56050

LEVER ASSY-FORK

1шт.

40

1A021-56133

LEVER-FORK

1шт.

50

1G911-56150

SHAFT-FORK LEVER

1шт.

60

1754-50618

BOLT-FLANGE

1шт.

70

4512-6006

WASHER-SPRING

1шт.

80

15221-5623

HOLDER-FORK LEVER

1шт.

90

15221-6641

BOLT

1шт.

100

1754-5083

BOLT-FLANGE

2шт.

110

1025-5063

BOLT

1шт.

120

1G790-56413

SPRING-GOVERNOR

1шт.

Выбрано товаров: 12